Volkswagen Transporter T4 (Лучший друг)

Доработка освещения

Я їжджу на Volkswagen Passat B5
Харків, Україна

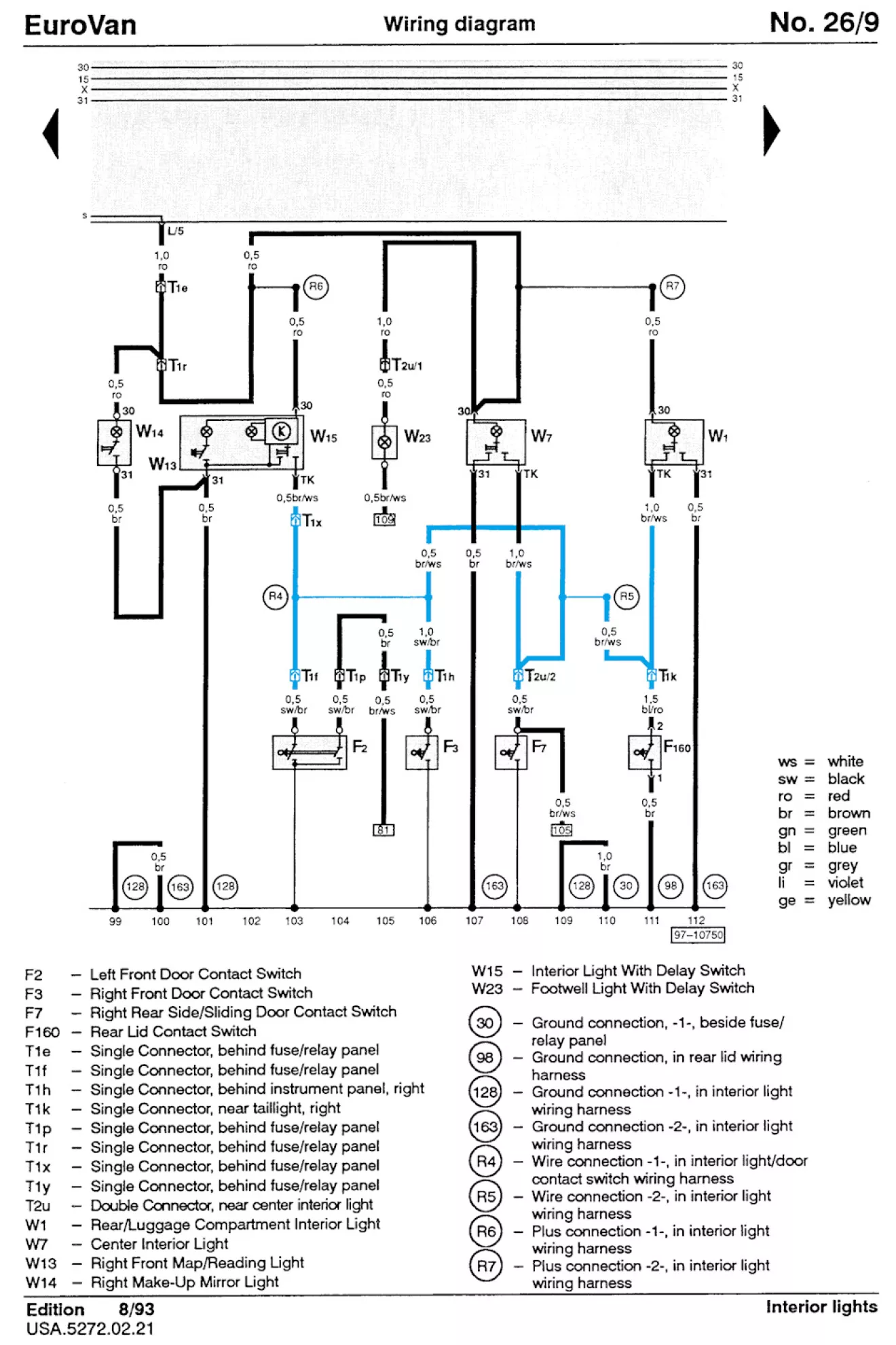
Когда я заморочился установкой сигнализации на свой бус, то обнаружил, что мне не нравится схема подключения концевых выключателей, а соответственно и схема освещения.

На схеме видно, что концевые выключатели соединены общей шиной. То есть открываешь любую дверь и все светильники, которые в режиме включения от открытия двери, зажигаются одновременно. Это не говоря уже о зонах слежения сигнализации. Багажник, получается, не попадал. Ну или срабатывать могли сразу все индикаторы зон контроля на брелке с обратной связью. Было принято решение разделить шину на части.

Теперь контроль крышки капота отдельно, передние водительская и пассажирская дверь со сдвижкой отдельно и ляда отдельно. При этом освещение разделено и между передними дверями и сдвижкой. Для достижения этого эффекта были встроены диоды. Два диода ограничивают соединение шины концевиков передних дверей с концевиком сдвижки посредством провода сигнализации (аноды обоих диодов подключены к проводу от сигнализации, а катоды к проводам ведущим к концевикам, каждый к своему). Если кто не знает то вот катод и анод диода:

Реклама
Комплексне обслуговування автокондиціонерів: повертаємо ідеальний клімат в авто з першого разу
Пробіг 427000 км.
Опубліковано: 16 травня 2017р. 18:24
0 0 0

Коментарі

Щоб залишати коментарі, потрібно авторизуватись.