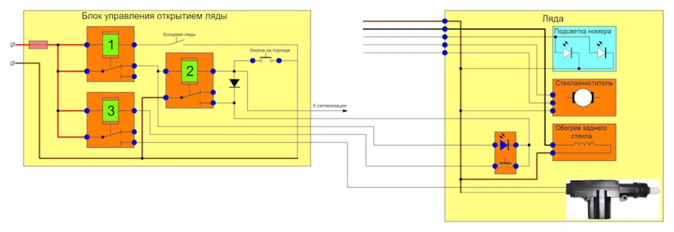
Значит столкнулся я с такой проблемой: развалилась личинка замка ляды. Варианты решения этой проблемы есть разные. Например заменить личинку замка и не парить ни кому мозг. Только есть проблемка. Придется тягать с собой два ключа. Кто то говорил сходить к медвежатникам — но мало кто занимается доработкой замка под ключи. Да и цена сопоставима с заменой личинок замков во всей машине. Потому эти варианты я отмел сразу. Были люди, советовавшие поставить центральный замок на ляду, пущай при открытии разблокирует и её. Но с этим возникло сразу две проблемы. В средине на ляде есть сварная конструкция для улучшения жесткости. Две балки. Чтоб установить привод необходимо высверливать в одной из балок-ребер жесткости отверстие. Да еще и овальной формы, так как тяга от замка к личинке перемещается не только горизонтально, но и вертикально. Более того, даже если бы решился на эту операцию, столкнулся бы с еще одной проблемой. Тяга от замка перемещает рычажок. Этот рычажок при открытии замка ляды должен давить на маленькую площадочку. Четко рассчитанный радиус поворота личинки замка и длинна тяги, при открытии, рычажок останавливают четко над площадочкой. Но в моем случае оставлять тягу, соединенную с развалившейся личинкой — дать возможность открывать ляду отверткой. По любому надо отсоединять. При этом ход штока актуатора куда больше хода штока от личинки замка. Даже замена всего замка проблему решить не могла. Устроены они все одинаково. Спасибо тому человеку, который так заумно соорудил эти замки. Решать надо было быстро и делать надежно. В те дни на работе по примеру из электропоезда и родилась идея. На сигнализации есть дополнительные каналы управления. Один из них заточен под открытие багажника. Но снова но. При нажатии на кнопку управления этим каналом сигнал на выход подается только в течении секунды. При этом ляда не открывается, не отскакивает со своего места. И через секунду, если не потянул — запирается снова. Даже обладая неимоверной ловкостью, чтоб успеть после двух секундного нажатия на кнопку брелка и после срабатывания выхода за секунду нужно успеть открыть ляду. Неудобство доставит еще тот факт, что нужно к ловкости еще и освободить обе руки. Одной жать кнопку, другой тянуть. В электропоездах же была реализована схема, при которой после остановки на станции машинист не открывал двери, а давал разрешение на открытие дверей, переключив тумблерок. Потом пассажиры, при необходимости, нажимали на кнопку непосредственно на двери для её открытия. Вот и объединил. Нарисовал, а потом и собрал схемку.

Поставил водонепроницаемую кнопку с подсветкой на ляду вместо личинки замка. Собрал до кучи три реле и диод, протянул дополнительно несколько проводов и вуаля — нажимаешь на кнопку пульта сигнализации в течении двух секунд и активируется кнопка на ляде, сигнализируя об активном состоянии подсветкой красивого синего цвета.

При нажатии на эту кнопочку срабатывает актуатор, который напрямую тянет тягу и отпирает замок. Пока держишь кнопочку — пока ляда и открыта (лучше конечно не злоупотреблять временем под питанием актуатора). Как только открывается ляда на столько, чтоб концевик замкнулся — питание с кнопки и актуатора снимается. Для верности параллельно сигнализации поставил еще одну кнопку на торпеду. Чтоб с места водителя так же можно было дать разрешение на открытие ляды. Вдруг что с сигнашкой.
В итоге по финансам вышло:
1) три реле 3х30=90 грн
2) две кнопки 2х50=100 грн
3) диод 1х0,40=0,40 грн
4) резистор 1х0,30=0,30 грн
5) провода — халява
6) актуатор остался с установки центрального замка
7) колодки под реле 3х7=21 грн
8) колодка с предохранителем 1х20=20 грн
И того: 231,70 грн.