Volkswagen Transporter T4 (Лучший друг)

Схемка открытия ляды 2.0

Я їжджу на Volkswagen Passat B5
Харків, Україна

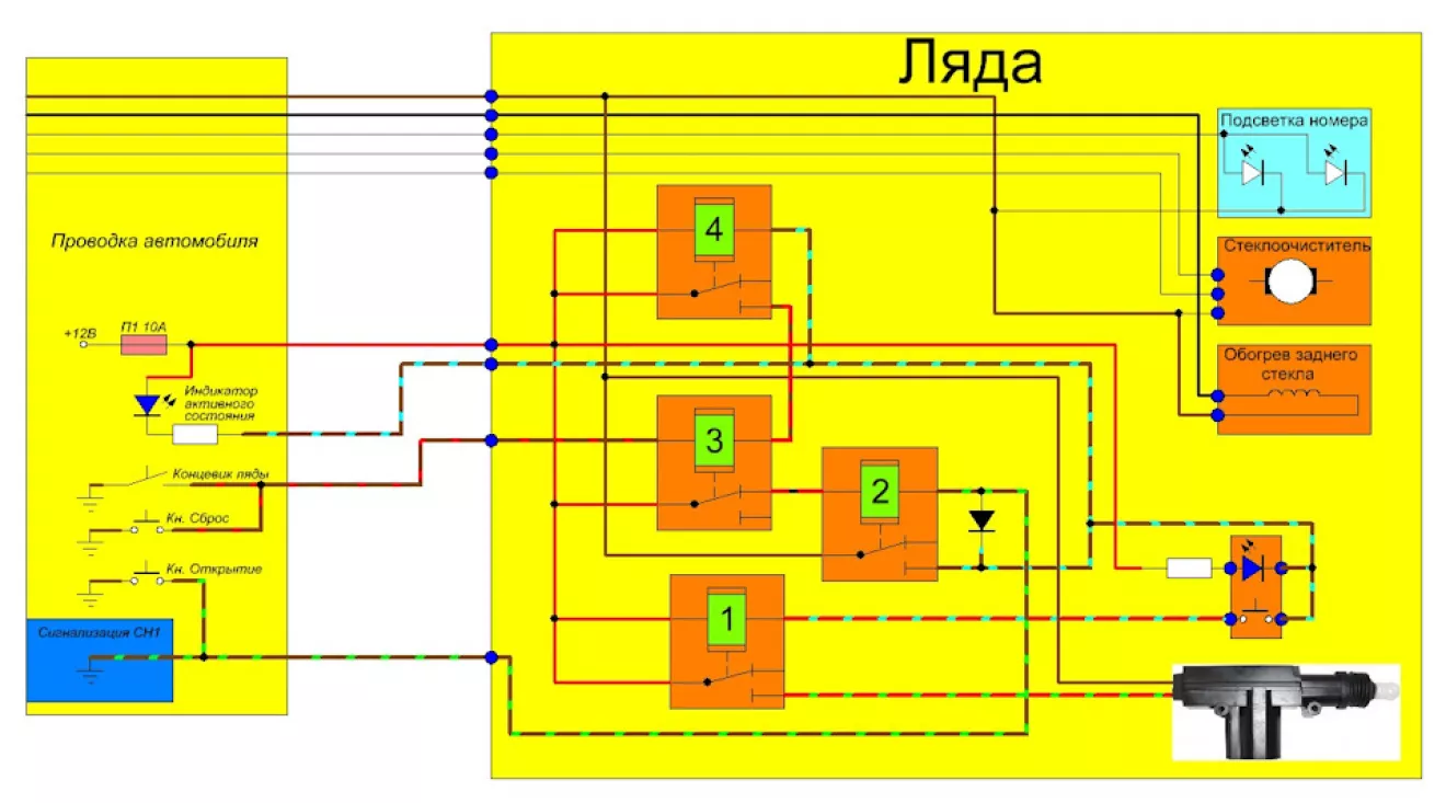
За время эксплуатации моей схемы открытия ляды, она показала себя очень хорошо, однако были выявлены некоторые недостатки. Во первых это то, что одно из реле постоянно находилось под питанием пока открыта ляда. При загрузке и выгрузке это не значительно, но на отдыхе это длительный нагрев реле и излишнее энергопотребление. Во вторых, когда активируется кнопка — обязательно необходимо было открывать ляду для сброса схемы, хоть уже может туда и не нужно. Ну и третье — нет индикации активности кнопки на панели управления. Нужно обязательно топать смотреть на светящуюся кнопочку на ляде. Ну и в завершение — печалят скрученные между собой колодки с реле, висящие за блоком реле и предохранителей. Схему буду собирать на основе печатной платы, расположу её непосредственно в ляде. Количество проводов, уже протянутых по машине меняться не будет, так что радикальных переделок не будет. Из затрат — нужна будет еще одна кнопка, еще одно реле и диод с резистором для его подключения к 12 В. Собственно вот сама схема:

Реклама
Комплексне обслуговування автокондиціонерів: повертаємо ідеальний клімат в авто з першого разу
Опубліковано: 25 травня 2017р. 00:34
0 0 0

Коментарі

Щоб залишати коментарі, потрібно авторизуватись.