Вітаю 🙌
Продовжую встановлення оригінальної Webasto BBW46 на свою Audi 100 C4.
Сам котел поставити — це ще пів справи: підключити паливо, антифриз і живлення відносно нескладно. Але хотілося зробити все максимально близько до заводського виконання — щоб вебаста повноцінно працювала разом із кліматом і прогрівала не тільки мотор, а й салон. Бо без цього сенсу небагато: двигун теплий, а в салоні все одно холодно.
Щоб штатна вебаста працювала правильно, потрібно підключити її до блоку клімату. Тоді запускається вентилятор пічки, включається обдув на скло і тепло починає нормально надходити в салон.
Як виявилось, саме по підключенню інформації практично немає — конкретики майже нуль. Тому довелося розбиратися самостійно: вивчати схеми, перевіряти проводку і поступово доходити до правильного рішення.
Все почаниеться з розбору салону :
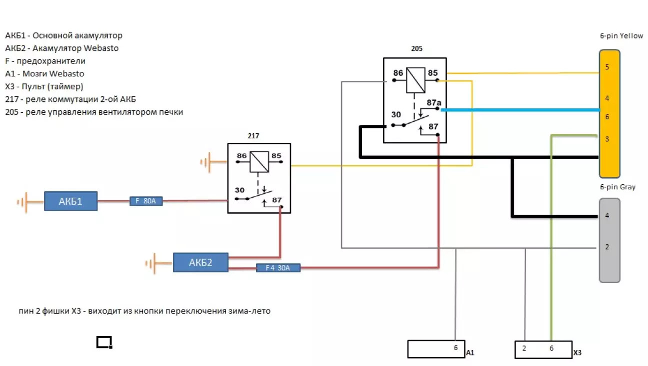
Основа взаємодії бортової системи та клімату йде через жовту фішку з проводки вебасти :
На нього приходить 4 дроти :
другий розʼєм , Сірий , не менше важливий , має два дроти :
На схемі це виглядає так ☝️
Саме по ній і будемо розбиратись що куди підключати .
Далі вже по кроках покажу кожне підключення на машині.
Почнемо з підключення сірої фішки.
Сам розʼєм з проводки вебасти вставляється у монтажний блок під кермом (на фото ☝️). Вже в нього підключається відповідна частина фішки, від якої далі будемо розводити проводку.
дублюючий дріт на габарити / підсвітку пульта в дверях підключив до підсвітки дифлекторів .
другий дріт протягнув до жовтого розʼєму клімату — пін D1.
По заводу в автомобілях без вебасти цей пін пустий, тому довелося знайти таку ж фішку клімату як донора , що б додати потрібний контакт.
У результаті, коли котел автономки прогріває охолоджуючу рідину приблизно до 55°C, на цьому піні зʼявляється сигнал, який активує на кліматі режим «вебасто» — 4 поділки обдуву і напрямок повітря на лобове скло.
Далі переходимо до найцікавішого — жовтої фішки.
Саме через неї відбувається основна взаємодія вебасти з автомобілем, тому тут уже трохи більше роботи.
Живлення клімату в Audi 100 C4 організоване через монтажний блок у центральній консолі — починається все з червоної фішки. Наша ж жовта фішка розташовується поруч, у вільному місці ліворуч.
Але тут є нюанс: по заводу цей розʼєм є тільки в автомобілях із вебастою. У моєму випадку його не було, тому довелося встановлювати окремо — фактично додавати відсутню частину проводки.
Тобто виходить так, що фішка з вебасти підключається не напряму, а в розʼєм, який потрібно спочатку встановити і підключити в монтажний блок . Відповідно придбав зворотню частину для жовтої фішки
Почав із найпростішого — габарит .
На червоній фішці клімату знаходимо плюс, який зʼявляється після увімкнення габаритів, і робимо з нього перемичку на нашу жовту фішку. У моєму випадку це сірий дріт із зеленою смужкою в червоному розʼємі.
Щоб перевірити, підключаємо розʼєм від вебасти і продзвонюємо мультиметром відповідний контакт на сірій фішці (дублюючий габарит). Все дзвониться — значить підключення зроблено правильно.✅
Далі потрібно підключити ще один важливий провід — зворотне живлення клімату.( чому воно так називається буде зрозуміло пізніше )
Тут є нюанс. У самій фішці вебасти цього підключення немає. Зі сторони вебасти це синій дріт із зеленою смужкою, і такий самий синьо-зелений дріт є в червоній фішці живлення клімату.
Вся суть у тому, що в автомобілях, де вебаста встановлена штатно, цей провід підключений напряму в червону фішку. Тобто він не проходить через жовтий розʼєм.
Саме тому на більшості проводок, які я бачив (і в статтях також), цей дріт просто відкушений і висить окремо від жовтої фішки.
Я ж вирішив зробити акуратніше і максимально не фермерськи : прокинув перемичку і додав окремий пін у жовту фішку вебасти, щоб підключити туди цей синьо-зелений дріт ✅
Щоб підключити живлення клімату під час роботи Вебасти та зарядку АКБ вебасти , потрібно прокинути в ноги пасажира два дроти: один силовий на живлення, другий — тонший, на зарядку.
У ногах пасажира, на боковій стійці, є монтажний блок. У ньому шукаємо сірий розʼєм.
Далі за допомогою контрольки потрібно знайти пін, на якому зʼявляється плюс після запуску двигуна. У моєму випадку це був синій дріт.
Після цього логіка така: при запуску двигуна має спрацьовувати реле в багажнику, і на акумулятор вебасти повинна йти зарядка від генератора.
Перший запуск — реле клацнуло. Перевіряю мультиметром — 12.5 В. Тобто зарядки немає. Щось не так.
Перевірив контролькою — керуючий плюс після запуску двигуна приходить. Спробував замінити реле — нічого не змінилось. Плюс є, реле спрацьовує, але зарядка не йде.
Тоді вирішив перевірити напряму: зробив перемичку на самому реле між силовим контактом (який приходить з основного акумулятора) і керуючим. Реле спрацювало. Запускаю двигун — і зарядка зʼявилась, 13.8 В.
Міряю напругу на керуючому дроті — 5 В. Дивно. Перевіряю на сірому розʼємі — так само 5 В.
Почав шукати далі, і в результаті вийшов на розʼєм генератора.
Стояв штатний генератор від “сотки” на 90А з одним піном, але в мене вже встановлений генератор від A6 на 120А — і там розʼєм на два піни. На одному після запуску зʼявляється 12 В, на іншому — близько 5 В.
І, як виявилось, розʼєм у мене був підключений “догори ногами” 😄
Переставив як потрібно, запустив двигун — перевіряю зарядку на акумуляторі вебасти: 13.8 В.
Зарядку перемогли ✅
Але це тільки початок найскладнішої частини підключення.
Якщо всі попередні моменти ще можна було вирішити за допомогою контрольки, схем і банальної логіки, то з живленням клімату все набагато цікавіше.
Перша думка — просто подати плюс на червону фішку клімату. Але так робити не можна. У цьому випадку напруга піде по всій бортовій мережі автомобіля: почнуть працювати підігріви сидінь, склопідйомники, обігрів заднього скла і все інше. Очевидно, що це неправильний варіант.
І от тут починається найцікавіше.
На просторах інтернету я не знайшов жодної нормальної інформації або пояснення, як зробити так, щоб клімат працював автономно, незалежно від бортової мережі автомобіля.
На допомогу прийшов @Makc-TDi, який уже проходив цей шлях і сам розібрався в цьому питанні. Робота з його сторони — просто титанічна.
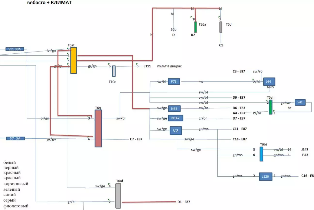
Почнемо з порівняння схем живлення клімату — з автономкою і без неї:

У штатному варіанті живлення блоку клімату йде паралельно з усіма виконавчими елементами системи: заслінками, клапанами, датчиками. Тобто плюс подається одразу на все, а керування відбувається по мінусу.

А ось у варіанті з вебастою схема вже інша — живлення розділене на дві частини:
• та, що працює під час роботи автономки
• та, що залишається неактивною
І тут виникає логічне питання: якщо живлення розділене, то як клімат працює в звичайному режимі, коли вебаста вимкнена?
Відповідь якраз у тій перемичці між жовтою і червоною фішкою, яку ми зробили раніше «Зворотне живлення».
Коли плюс подається від бортової мережі на червону фішку, через цю перемичку він іде далі — у багажник на реле. У неактивному стані реле замикає контакти і направляє живлення на ту частину клімату, яка використовується під час роботи автономки.
Тобто фактично одна і та ж частина системи живиться в обох режимах — просто різними шляхами.
З теорією розібрались — переходимо до практики.
У ногах пасажира відгинаємо ковролін. Під ним знаходиться чорна кришка, а над нею — штатний короб для проводки. Саме там і починається найцікавіше.
У цій проводці потрібно знайти чорно-сині дроти, які сходяться в одному місці в опресовку. Розділяємо її на окремі гілки: 4 дроти йдуть у сторону клімату і ще 4 — у сторону дверей. Також є ще один тонший чорно-синій дріт, який іде окремо — його теж потрібно розділити.
Далі переходимо до пошуку конкретних підключень. Керувався схемами і підказками, які мені люб’язно надав Максим — без цього розібратись було б дуже складно.
Згідно схеми, з 3-го піну жовтого розʼєму T6at живлення подається на:
• N63 — клапан заслінки рециркуляції
• N147 — клапан охолоджуючої рідини перед радіатором опалювача
• пін С14 блоку клімату
• V2 — вентилятор опалювача
• пін 5 фішки T6bi
Далі — найцікавіша частина. Озброюємось мультиметром і серед усіх чорно-синіх дротів шукаємо потрібні.
Ставимо мультиметр на прозвон: один щуп — на потрібний елемент під капотом (наприклад, клапан рециркуляції), другий — через довгий провід шукаємо відповідний дріт у салоні.
І так по черзі знаходимо всі необхідні дроти.
Все йшло досить зрозуміло, поки не дійшов до останнього підключення — пін 5 фішки T6bi. Довго не міг зрозуміти що це і де його шукати.
У результаті довелось піти іншим шляхом: за допомогою ще однієї “шпаргалки” визначив призначення інших дротів і методом виключення вийшов потрібний мені контакт.
У фіналі залишилось два незрозумілих дроти: один товстий, інший тонкий. Саме завдяки цій таблиці вдалося остаточно розібратись і правильно їх підключити.
(Фото)
У підсумку всі підключення виконані як потрібно ✅
Фінал всього підключення — перевірка вживу.
Запускаю вебасту , машина починає прогріватись. Чекаю… і приблизно на ~55°C оживає клімат: вмикається вентилятор на 4 поділки , стає обдув на скло — все як має бути по заводу.
Чесно — це чисто кайф, коли все працює так, як задумано з заводу, без “костилів” і тимчасових рішень😍
Залишаеться ще один допис що до встановлення вебасти , намагатимусь з ним не тягнути , тому що є ще багато про що розповісти вам , та залишити це в історії володіння цим чудовим німецьким лайнером ✈️
сподіваюсь хтось дійсно це прочитав від початку до кінця 😀
Всім вдачі та миру 🫡
І доречі в тебе помлаа там про сіру фішку.
"дублюючий дріт на габарити / підсвітку пульта в дверях підключив до підсвітки дифлекторів ."
Там дублюючиц силовий провід тей що іде на живлення і розвязку на жовту фішку і на реле в багажник.
А підсвітку пульта від габариьів на жовтій фішуі.
Теж хочу після цієї зими встановити Вебасту як по заводу)
Буду чекати допис та відгук )
Вітаю!!!
Після такого почав думати про свап на АКПП . Знайшов не за дорого нову коробку у Німеччині …. Нову коробку карл 😀