
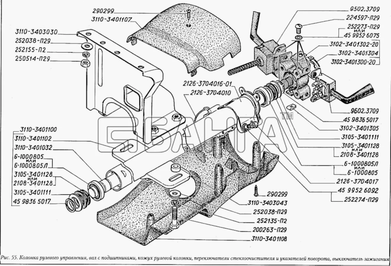
Предполагаю, что пробег составил далеко до 100 тык., но стук в колонке из маленького превратился в очень громкий. Купил закрытые подшипники нового образца в сборе со втулками 2108, но в запасе были 3105, а у них более мощный нижний борт и материал с виду тоже посерьезней — поставил их.
Подшипники в смазке, целые, но хрустели — не стал экономить, поставил новые.
В целом конструкция неплохая, но остается загадкой что может повлиять на разрушение втулок… Совсем забыл — всегда стачиваю острую кромку на канавке стопорного кольца обычным напильником — очень помогает при сборке.





