Как обычно начну с того, где зарождаются динозавры, а значит стоит немного рассказать о старых панелях приборов и о генераторе.
Значит у нас в стареньких безмозглых Т4 контроль и возбуждение генератора устроено с помощью панели приборов. Все довольно просто. С одной стороны приходит +12В. Они питают индикатор и идут на провод возбуждения и контроля зарядки АКБ. Провод приходит на генератор, где через обмотки не вращающегося генератора получает минус. Индикатор светится так как есть полная цепь (и + и — ). При пуске двигателя вал генератора начинает вращаться. Но без магнитного поля — это просто разогрев подшипников. Так вот магнитное поле есть. Мы помним, что +12В и индикатор получают землю через обмотки. По обмоткам течет ток и создает магнитное поле. А при вращении — еще и переменное магнитное поле. В следствии в обмотках возникает своя ЭДС и свои +12В (утрированно), и они перестают быть просто проводами. Теперь по проводу +12В идут в обратном направлении так же. Вспомним что ток движется в проводнике если на его концах есть разность потенциалов — напряжение. То есть с одной стороны пришло +12В, а с другой был 0. 12-0=12. Разность потенциалов 12В. Так ток может течь. После возбуждения генератора с одной стороны +12В и с другой +12В. 12-12=0. Разность потенциалов 0. Так ток течь не может. Индикатор гаснет так как нет полной цепи (есть + и + ).
Описание очень упрощенное. Но суть ясна.
Если вдруг у Вас на машине генератор не начинает работу до того, как раскрутите двигатель примерно до 3000 оборотов (самовозбуждение генератора), то нужно искать проблему в этой вот схеме.
Теперь по теме.
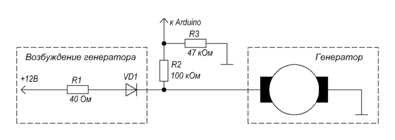
Для замены схемы возбуждения генератора я взял резистор 40 Ом. Примерно такое сопротивление у индикатора. Так же взял мощный диод, который в случае чего воспрепятствует питанию панели приборов, и от нее многих узлов авто (клеммы 15) через эту схему. То есть без диода просто не сможем заглушить машину. Теперь генератор при старте двигателя возбуждается мгновенно. Однако проконтролировать я это могу только по показаниям вольтметра. А индикатор на панели приборов светится постоянно.
Теперь суть проблемы:
Уже очень долго ломаю голову над тем, чтоб Ардуино мог проконтролировать факт возбуждения генератора. Снова перекликаемся с типами датчиков, описанных мной в бортовом журнале. В начале выходит, что генератор — второй тип датчика. Он даёт массу. Но после старта генератора это уже первый тип датчика. Уже даёт +12В. Такие размышления меня не привели ни к чему. Вернее привели к тому, что я перегрузил мозг и долгое время не могу вернуться в тему. Работа просто стала и стояла.
Так спустя несколько месяцев бездарного существования (жрания вкусняшек и игр на компьютере), я наконец расшевелил извилины и понял, что нужно просто вкорячить индикацию по 1 типу.

Сорян за кривое исполнение генератора. Влом было рисовать полноценный.
Собственно выходит, что когда двигатель отключен или генератор не возбужден, то от +12В, через резистор 40 Ом и диод будет протекать ток сразу на генератор и на землю. Ток ведь идет по наименьшему сопротивлению. Правда я до сих пор боюсь, что сопротивление провода и обмоток может быть велико. Но ведь не на 100 кОм же! Верно? Значит Ардуино будет считывать 0 и включит индикатор.
Когда запустится двигатель и генератор возбудится — на проводе возникнет +12В. Через диод оно не пойдет. Вариант один — на Ардуино. Ардуино будет считывать 1 и индикатор потушит.
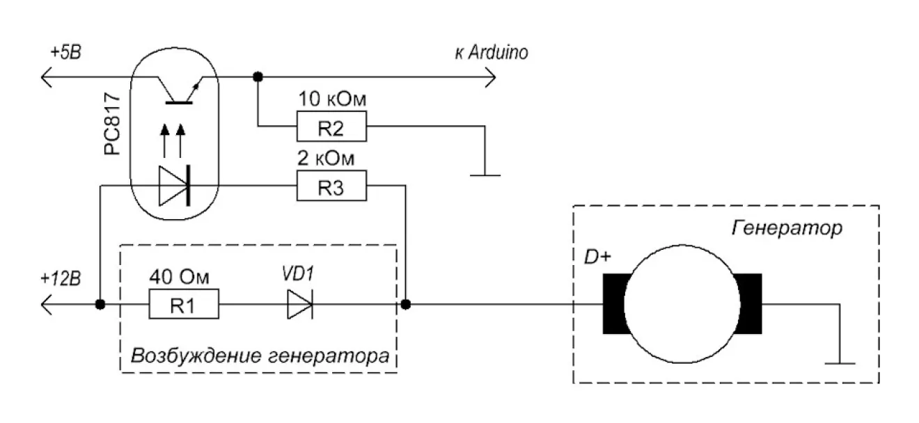
Все бы ничего, но мозг ломал себе еще и потому, что мыслю критически. То есть сразу выискиваю недостатки затеи. И таки есть недостаток. Если вдруг генератор будет срать какими то импульсами, большими токами и тд. — может настать конец входу или даже всей Ардуине. Как защитить? Оптрон? А нужно ли тогда было ломать голову?
И так, благодаря ARKAN1967 вырисовалась схема с оптроном. Теперь можно не волноваться за вход Ардуино.

Более того схема вышла похожей на реализованную в обычной зеленой приборке, в которой используется светодиод там, где мы всунули оптрон.
Пробіг 440000 км.