Здоров! 👋
Щось я затягнув з цим дописом у бж мздюшки, так як я ще у січні місяці (приблизно) вже вирішив деякі питання, щоб машина знову могла їздити без ризику опинитись у кювєті\на стовпі\в іншій машині (те що вам до смаку підчеркніть).
Минулий свій допис я закінчив на передніх гальмах. Що я там перебрав супорта, та помив бачок гальмівної рідини, бо гіркий досвід з вольвірою показав що люба грязючка може вбити головний гальмівний циліндр. Тож переходим до задніх барабанів. БИЙ БИЙ!!! БИЙ БАРАБАНИИИ!!! Кхм...
Задні гальмівні барабани:
Даний екземпляр автомобіля, достався з прикольчиком по гальмівній системі! А саме заглушений один контур на заднє ліве колесо. При тому в "колдун" був просто вкручений болт М10х1. (Шкода що я це не сфоткав, мені вже хтілось це закінчити скоріше. Дві гальмівні системи перебрати самотужки то вже морального духу не всім вистачить! Дякую що по різьбі болт підібрали!) А магістраль залишилась. То настав час визначитись, "А чого воно так?". Особливість кузову цієї 323-ї мазди полягає в тому, що піднімається вона на двох точках а не на 4-х як зазвичай. Перед, (знайти інформацію), та зад за центр поперечини! Тобто піднявши зад повністю, ми можемо зняти два колеса!
Розібравши лівий барабан, я побачив непонятну мені конструкцію, де все у пилюці та іржі. Того то і ручне гальмо теж не працювало, тупо вклинило. Як показав мануал, то там є аналогічний як у вольвірі механізм який розпирає колодки під ручнічок. Але тут ще є гідроциліндр, яки теж розпирає колодки коли вже тиснеш на педаль гальм. От і вся магія.

Проблема була від'єднати циліндр від системи, бо авжеж грані на штуцерах полизані, і сам штуцер прикис. То він викрутився разом зі шматком трубки. Ну що ж... Нові трубки так нові трубки шукати. Так я зняв це все діло, покрутив в руках, намагався пошевелити циліндр... Вклинив! Ну що ж. Минулі власники (і мій друг у якого я купив авто тут не причому, він просто на це поклав болт) вирішили не витрачати 400 гримнів на новенький циліндр а тупо заглушити магістраль. Мабудь той циліндр ще й тік. Ну що ж, гулять так гулять. Замовляємо циліндри, обидва! І замовляємо корпуса барабанів, бо старі щось мені не подобались по зносу. А поки це все йде, шукаємо трубки, які я успішно пох*рив поки відкручував їх.

Благо що для гальмівних систем автомобільних, стандартом є штуцера М10х1. Да і самі трубки є в наявності і зігнути їх не проблема. А якщо у продавця є розвальцювальник (хз як його українською називають) то взагалі шик. Можна зі своїми трубками прийти, і по їх довжині відріжуть і все зроблять. Тільки гнути вже будеш сам як тобі зручно. А так як це мідь, то не бачу в цьому проблеми. Рідні трубки йдуть стальні.
Також я вирішив розібрати і правий барабан. Один фіг весь зад піднятий. Щоб одним махом розібратись із задніми гальмами.

Тут трубки взагалі не хтіли даватись. Прикисли намертво, що прийшлось зі сторони шланги штуцер викручувати крокодилом. Тут тільки заміна бо таке ти вже назад не закрутиш. Так і штуцер прокачки викручувався. Цікаво що він плоский йде під кульку.
Колодки не прийшлось замовляти, так як вони в мене ще були придбані, як тільки це авто попало в мої руки. То ж отримавши всі запчастини, я приступив до збірки. Перед тим знявши троси ручніка, бо на них вже пильники були порвані.

От і барабани зібрані. Машина поставлена на колеса, і в салон був запрошений батя, для прокачки гальмівної системи, превентивно закрутивши штуцер магістралі замість болту який і глушив відповідний вихід з розподілювача! Прокачались гальма з 3-го разу, що я вважаю успіхом. Витоків не було.
Гідравлічний привід зчеплення:

Так як до бачку головного гальмівного циліндру під'єднувалась і гідрозчепа, то треба було качати і її. Іііііі... Яка ж чорна жлигота виходила з робочого циліндру. І шо ви думаєте?.. 2 години ми її качали. І прокачати не змогли! Хтось запихує у систему повітря... Розбиратись хто це, робочий чи головний циліндр я не хотів, тому я замовив їх обох) В ході подальший маніпуляцій, я все ж таки грішу на головний циліндр, але най будуть обидва, щоб мені було спокійніше.
Тут інженери мазда вирішили трохи прикол потягнути, і кріплення зробити трохи по ідіотськи, зробивши одну шпильку яка йде з моторного щита, а другу шпильку із циліндра у салон, та ще й в самому "зручному місці"

Як ви спостерігаєте на картині вище, місця тут нема куди руку просунути, не кажучи про якусь головку із трищіткою. Тож наматюкавшись та на *бавшись на сто дурних, я таки викрутив це гімно і дістав ГЦЗ. Попередньо злизавши грані на штуцерах. То ж знову їдемо по трубки, поки їдуть РЦЗ та ГЦЗ.

Встановивши новий РЦЗ та ГЦЗ ми приступили до прокачки. Качали ми качали... качали ми качали... Шось воно не качалось. І це було задачкою із зірочкою! Бо бляха все абсолютно нове стояло. Але не тут то було! Новий головний циліндр зчепи виявився з приколом! Так як вони йдуть зі шлангою надітою на кутовий штуцер пластиковий, то я особо не звернув увагу. Але звернув увагу Батя, якому воно не сподобалось. А саме що той штуцер не щільно сидів на резинці! І так і вийшло! В черговий раз, як ми качали педаль зчеплення, я звернув увагу, що з головного циліндру донісся якийсь звук, і всьо! Педаль проваляна. Виявилось що буртік на штуцері був занадто малим, щоб щільно тримати штуцер у гумці. І він якимось чином, перекашувався, захоплюючи повітря у систему.

Нажаль я новий не сфоткав для порівняння, але повірте на слово. Якщо зі старого ми зняти не могли, і скільки його не тягнули ми його просто виламали, а на новому ГЦЗ я просто його руками дістав. Отака от фігня. Намотав я довкола штуцера фум стрічки поставив назад, вже щільніше стало, і тоді зчеплення прокачалось!
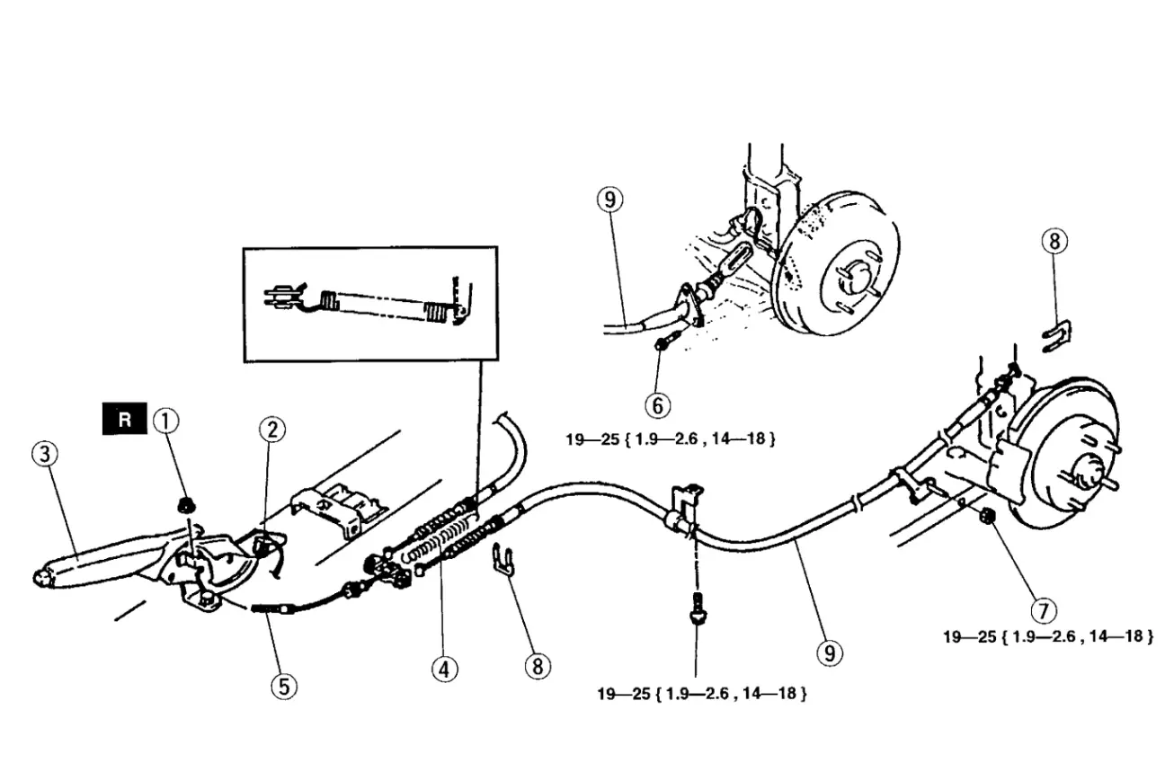
Система тросів ручніка мені тут сподобалась більше ніж у вольвірі. Так як на Volvo 244 троса уходили у салон під задню сідушку, то тут троса натягуються під днищем. Що дуже зручно, і не треба пів салона розбирати щоб замінити троси.

Поставив нові троси. І в мене на в'їзд у гараж є склон, де можна поставити машину для регулювання ручніка, яке робиться болтом біля відповідного йому важеля.

Так як гараж в якому робилася машина підгнивший, а зима нас порадувала снігом, то в гаражі стояла дика вогола. А я завтикав підняти вікна на дверях. Тож...
Салон у плісняві тепер, що нова цивілізація заявила про свою незалежність та суверенітет. Крч. Тут все я вирішив просто, відправивши мздюшку на хімчистку. Тим паче що я після покупки про це розмірковував.
Отака от історія вийшла з гальмами (і не тільки) мздюшки. Став лайк якщо мій досвід став для вас корисним. Та напиши коментар, що ти про все це думаєш. Бажаю мирного неба над головою, та до нових зустрічей.
Потужно)