Volvo 240 (Кажан)

Встановлення кондіціонера, вихлоп.

Я їжджу на Volvo 740, Volvo 240, Chrysler Sebring II Convertible, Alfa Romeo Crosswagon Q4
Дніпро, Україна

Учасник голосування "Авто місяця"

Інші учасники


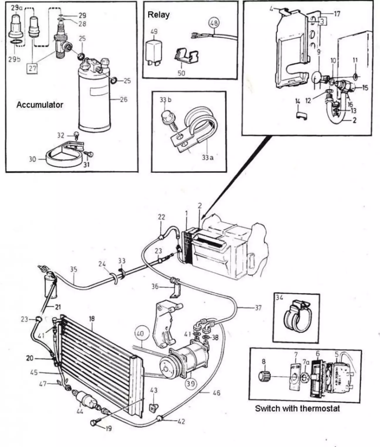
Ще з моменту  першого придбання 5 років тому, мені з машиною дістався ящик з комплектом кондиціонера від 940.

Він потребував доопрацювання балки, на яку ставиться радіатор, прокладання проводки, деяких змін підкапотного простору, в салоні попередні маніпуляції були проведені під час реставрації, в цілому звучить страшно. 

А ще потребував уваги вихлоп - в салоні при відкритому вікн воняло вихлопом, та звук підсікання був  присутній. 

Звернувся до https://www.instagram.com/auto_service_dnipro?utm_source=ig_web_button_share_sheet&igsh=ZDNlZDc0MzIxNw== оскільки нетипові машини - їх тематика. 

Вихлоп переробили трохи, замінили данупайп, задню частину підняли, для зменшення шуму було вирішено поставити каталізатор, знайшовся від каєна турбо. 

По кондиціонеру склали пазл  окрім електрики, за цим вже поїхав на профільне СТО по старим Вольво. 

Як результат все працює як треба, в машині прохолода вихлоп став значно тихіше, + ще було дещо по дрібничкам, таким як заміна турбіни встановлення регулятора бусту і т.д. 

Запчастини:

Картридж турбіни
 Труба/відвід/перехід трубний/гайка лямбди/гофра
Каталізатор
Фланець в бенд  2штКомплект прокладок турбіни
Л.зонд

Метиз/стяжки/кільця/фіксатор/мастило мідь:
 Зняття/розбір турби/д.пайпу/вихлопу

 Ремонт вихлопу зад/сер.частина/заміна фланців
 Заміна картріджу/ремонт кріпл. актуатора/встановлення турб. 
 Пісок/мийка а.бласт
Д.пайп виготовлення, термоізоляція
Встановлення радіатору АС/трубки/компресор/перенос бачка омивача/вакуумація



було



стало



Схожі компанії

«EuroShyna»

ШИНИ-ДИСКИ, НОВІ-БУ Економія до 60% вартості, при покупці Б / У гуми з Європи Послуги шиномонтажу і сезонного зберігання шин, ВИКУП ШИН, Автострахування 100% Гарантія від EuroShyna + ВІдправляємо фото коліс Вайбер/телеграм. (тільки реальні фото товарів). +Гарантуємо повернення грошей або обмін товару. +Оплата при отриманні на складі компанії перевізника (Нова...
Реклама
Зимова вигода: знижка -1000 грн на ремонт авто!

Ціна питання 1 USD,
Опубліковано: 27 грудня 18:23
1 0 0

Коментарі

Щоб залишати коментарі, потрібно авторизуватись.
Відтепер більш детально про власника Е28! Бажано в мій приват!
27 грудня 20:30