Всім привіт)
Нарешті закінчився проект довжиною в декілька місяців)
І так нам залишилося тепер підключити все по салону, починаємо з самого скоадного це підключиння твітерів в дверях, так як до них провода не йдуть(
Розбираємо далі)
Задня фішка знімається найлекше і так самож пінується
Піни такі самі як і на підсилювач, а от що стосується передніх дверей тут все не так просто - я довго мучився і так без зняття дверей нічого не вийшло. Також піни тут інші, нажаль маркування ни них ніякого нема, а в мене вони залишилися ще коли підключав мертві зони.
Тому хто захоче щось подібне повторити кажу зразу не мучтеся а зразу знімайте передні двері це швидко і нормальний доступ а саме головне нічого не зломаєте повірте)
З дверима розібралися переходимо до самого головного пристрою, тут також нічого складного перепіновуємо все по схемі підключення

На цю фішку також приходить мікрофон такщо все роимо по схемі її прикріплю нижче.
Тепер що стосується центрального динаміка, дуже довго шукав куда виходять від нього проди - вони виходять на червону фішку перед блоком BSI, в моєму випадку зеленого і коричневого кольору.
Фото щоб потім не забути 1 коричневий 3 зелений, це потріно для правильного підключення.
Живлення підсилювача робимо вск як по заводу, провід заходить на блок запобіжників BH12 на 36 місце - запобіжник 30А
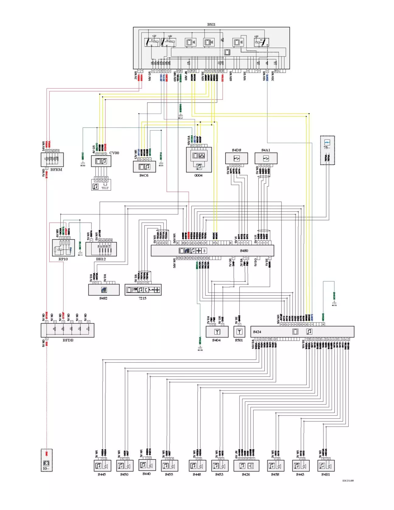
Ну а тепер ділюся з вами самою важливою інформацією - це схема підключення так просто ви її ніде незнайдете)
Коли все підключено вставляємо запобіжник і підключаємося через DiagBox і перевіряємо чи виходить підчилювач на звязок і чи нема помилок, якщо все ок дальше прошивка і налаштування тут Albin все зробить.
І нарешті ми маємо це прекрасне зображення
А тепер що стосується цієї всієї затії - звук став в рази кращий - деталізація вийшла на новий рівень, сам звук став чистий і насичений саб якщо добре накрутити аж в грядях бахкає - навіть радіо грає досить непогано одним словом це одна з найкращих але й найтрудоємніших моїх робіт з цим авто) Хто має Focal мене зрозуміє)
Далі більше...
Якщо не секрет, скільки все вийшло під ключ?
У мене буде кастом замість OEM.
OEM на спортік 3 гівняної якості і не вартий тих грошей.