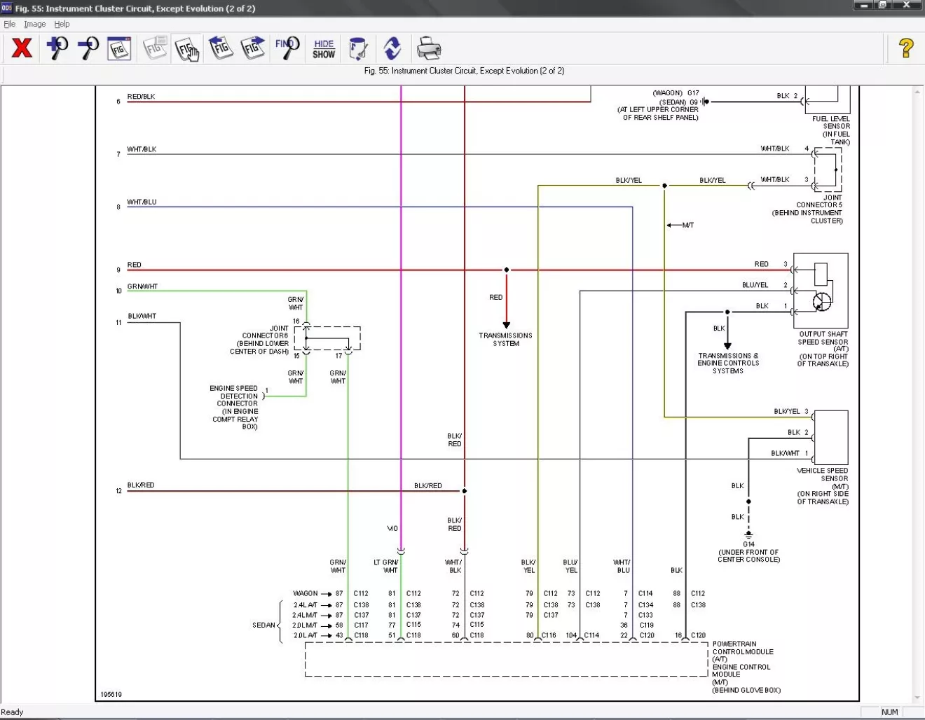
Итак наконец-то собрался и поставил приобретение www.drive2.ru/cars/mitsub…/288230376151796575/#post ! Огромное спасибо за помощь и консультацию Форуму технических маньяков forum.amadeus-project.com Сама установка оказалась несложной. Главное было найти нужный провод для считывания скорости. Благодаря помощи "маньяков" он был найден с первого раза. Заодно была раздобыта схема приборки:




Вот так получилось:

Вот такой вид перед глазами в темноте

А так со светом (наклеил на стекло пленочку которая идет в комплекте)



Вот так проектор живет на торпеде



А вот так в движении

Ну и небольшое видео:
Ну и дневные фото:





Дневное видео: