Всім привіт загорівся давно підігрівом задніх сидінь на мондео 4 чомусь їх дуже мало а рестайлінг з підігрівом ( мова про європу) я взагалі ніколи не бачив! а знайти ( певно швидше зустрінеш єдинорога чим підігрів задніх сидінь десь на розборці) я моніторив сайти оголошень більше пів року але ціни звісно були космічні навіть якщо попадався 400-500 євро .
Але одного вечора дивлюсь на фейсбуці в польські групі виставив комплект салону з задніми підігрівами одразу написав їму чи не хоче продати задній диван на що він одразу відповів ні тільки комплект ( трошки подавив
свою жабу) вирішино було купляти комплект салону ( подумав собі що доставка буде дорогою тому попросив сняти лише мати підігріву з передніх і задніх сидінь і все)

Одного вечора сів розплів косу ( та що в підлокітнику)з дорестайла і почистив мати від паралону також наклеїв 2 стороній скотч
Замови на аліяекспрес кнопку підігріву чорну ( така має бути на рестайлі!)
Одразу скажу треба брати оригінал ці китайські кнопки працюють норм але вони засвічують рівень підігріву на який ви підкрутили !!! Потім не розумієш на який ти виставив
Планую купити оригінал і замінити !!!
Також поставив замість прикурувача швидкісну зарядку ( і тут я трошки лоханувся треба брати з кнопкою включення тому що для чого садити просто так акамулятор!) надалі заміню!
Далі начав розбирати салон і витягувати свою проводку в підлокотнику
По нормальному треба було сняти весь підлокотник ( щоб не подряпати всі руки!)
Сняв проводку і далі пішов зрощувати з тією що мені відали на розборці посуті там лиш треба 1 розйом на кнопку підігріву і все
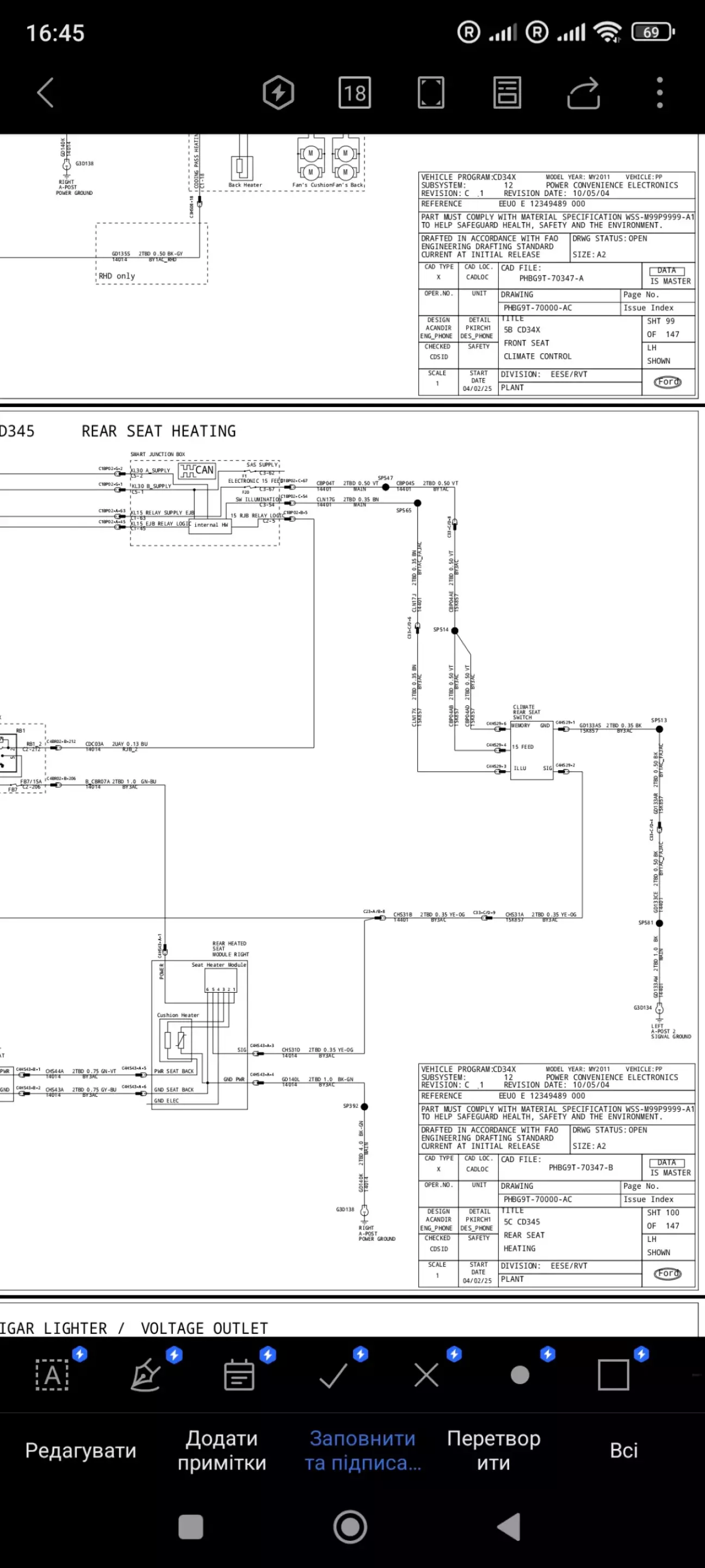
Всі провода тягнуться від передньої кнопки крім 1 сигнального ( жовто-оранжевого) який має йти на зад



Встановив проводку назад і тут мене чикав облом а на фішці не має сигнального провода ( який має йти на зад) хоча проводка є в заді !
( Де цей форд пожалів кабеля )
Розкрутив сидіння пасажира сняв килим ( там йде проводка і штекера з'єднання проводки) думав там десь не додали провода
Взяв тестер і прозвонював провода але там не було потрібного
Було пізно і настрою вже не було продовжувати так і лишив авто розібране
Написав @Mister_Incognito можливо щось він знає де де цей провід! Він скинув мені як йде по заводу вся проводка від заду до переду ( за що їму велике дякую) на наступний день відкручую ще сидіння водія відвожу в сторону килим і нарешті я знайшов його
( Ford тупо зажав 20 см провода )
Прокидую кабель до фішки пропаюю все замотую лавсановою ізолентою і кидаю зі штатною проводкою
Далі потрібно в елм конфіг виставити
Підігрві заднього ряду
Далі підключив мати і все запрацювало ( але гріють вони трошки слабше ніж передні)
Далі потрібно сняти задні сидіння та розібрати і приклеїти мати ( скажу вам що потрібно багато терпіння щоб розігнути металічні кольца та назад потім все скласти!) ( не раджу садити на пластикові стяжки вони з часом рвуться)
