Ця стаття присвячена ЛИШЕ зберіганню тих електричних схем, які вдалося знайти в принципі.
ЗМІСТ 1987 — 2006
— Принципова схема електрообладнання ЗАЗ-110206 стандарт
— Опис принципової схеми електрообладнання ЗАЗ-110206 стандарт
— Монтажна схема електрообладнання ЗАЗ-110206 стандарт
— Опис монтажної схеми електрообладнання ЗАЗ-110206 стандарт
— Принципова схема електрообладнання ЗАЗ-110216 люкс
— Опис принципової схеми електрообладнання ЗАЗ-110216 люкс
— Монтажна схема електрообладнання ЗАЗ-110216 люкс
— Опис монтажної схеми електрообладнання ЗАЗ-110216 люкс
— Принципова схема МОНОВПРС (моно впорскування)
— Опис принципової схеми МОНОВПРС
— Монтажна схема МОНОВПРС
— Опис монтажної схеми МОНОВПРС
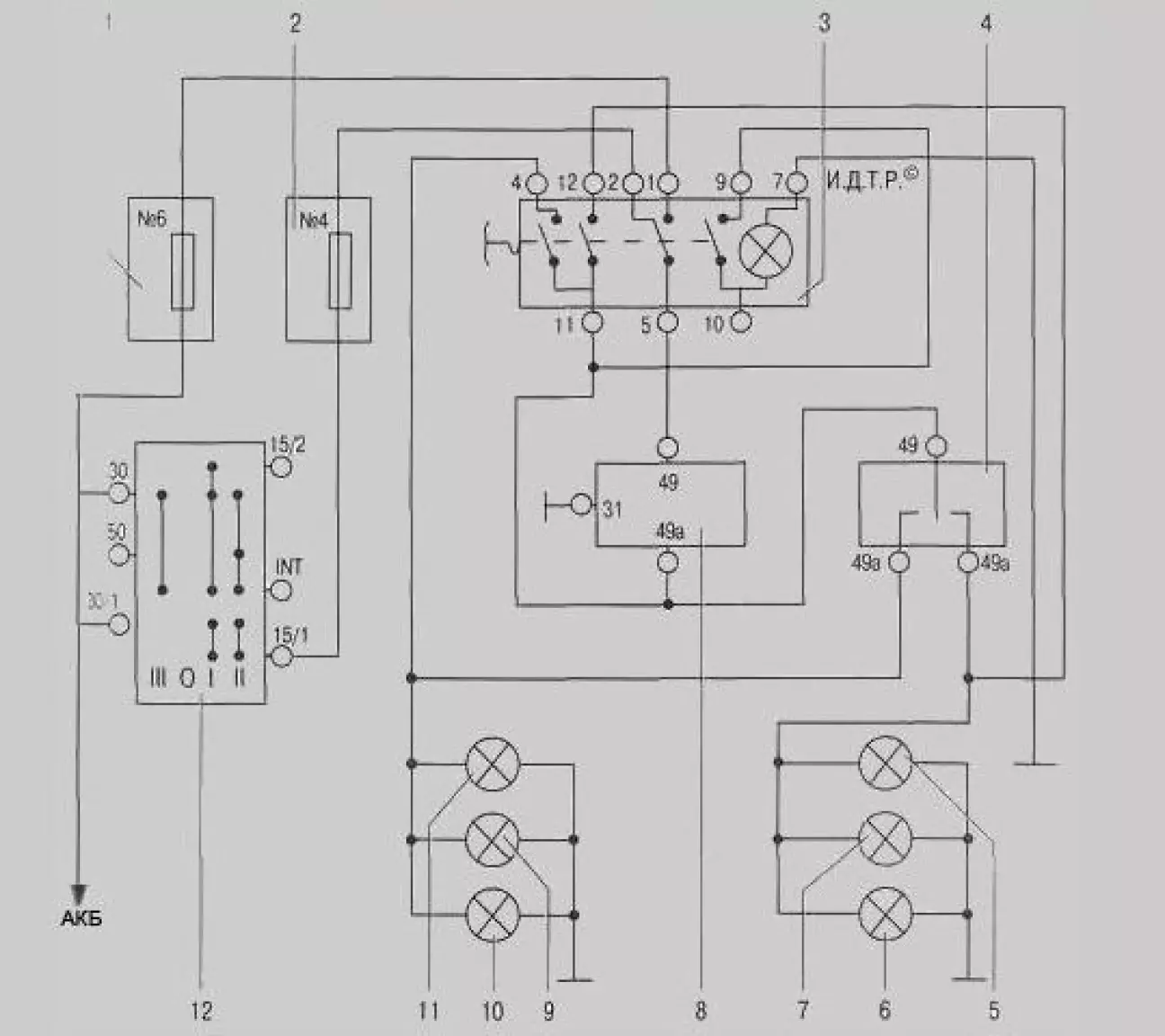
— Додаток — схема включення покажчиків повороту та аварійної сигналізації
— Опис — схема включення покажчиків повороту та аварійної сигналізації
— Додаток — схема включення склоочисника та омивача лобового скла
— Опис — схема включення склоочисника та омивача лобового скла
— Додаток — схема включення електродвигуна вентилятора опалювача
— Опис — схема включення електродвигуна вентилятора опалювача
2003 — 2011
— МІКАС 7.6 з СО-потенціометром
— МІКАС 7.6 з датчиком кисню (ЄВРО-2)
— МІКАС 10.3
— Розташування контактів МІКАС 7.6 та МІКАС 10.3
— МІКАС 10.3 Принципова (ну справді цікаво)
— Компоненти С.Р.В.Т.
— Перелік компонентів С.Р.В.Т.
— Кронштейн колодок реле та запобіжників під капотом
— Опис кронштейна колодок реле та запобіжників під капотом
— Установка жгута проводів С.Р.В.Т.
— Опис установки жгута проводів С.Р.В.Т.
— Роз’єми жгута проводів С.Р.В.Т.
— Діагностичний роз’єм GM-12
— Діагностичний роз’єм OBD2

1 — акумуляторна батарея
2 — генератор
3 — стартер
4 — реле включення стартера
5 — вимикач запалювання
6 — реле вимикача запалювання
7 — котушка запалювання
8 — замикання «маси» карбюратора
9 — блок керування електромагнітним клапаном карбюратора
10 — комутатор
11 — електромагнітний клапан карбюратора
12 — датчик Холла
13 — датчик-розподільник запалювання
14 — свічки запалювання
15 — вимикач зовнішнього освітлення
16 — перемикач світла фар
17 — запобіжник №5
18 — запобіжник №6
19 — лампа лівого переднього габаритного вогню
20, 23 — лампи габаритного вогню
21, 24 — лампи підсвічування номерного знака
22 — лампа правого переднього габаритного вогню
25 — реле ламп ближнього світла
26 — реле ламп дальнього світла
27 — реле ламп протитуманного світла
28 — запобіжник №2
29 — запобіжник №1
30 — запобіжники №4
31 — запобіжник №3
32 — вимикач ламп задніх протитуманних фар
33 — лампа ближнього світла лівої фари
34 — лампа ближнього світла правої фари
35 — лампа дальнього світла лівої фари
36 — лампа дальнього світла правої фари
37, 38 — лампи протитуманного світла
39 — запобіжник №17
40 — запобіжник №11
41 — вимикач аварійної сигналізації
42 — запобіжник №16
43 — реле аварійної сигналізації
44 — вимикач світла заднього ходу
45, 46 — лампи фонарів світла заднього ходу
47 — перемикач покажчиків повороту
48, 51 — лампи передніх покажчиків повороту
49, 52 — лампи задніх покажчиків повороту
50, 53 — лампи повторювачів повороту
54, 55 — лампи стоп-сигналів
56 — вимикач стоп-сигналу
57 — додатковий стоп-сигнал
58 — запобіжник №10
59, 60, 61, 62, 63 — лампи підсвічування приладової панелі
64 — контрольна лампа включення дальнього світла фар
65 — контрольна лампа покажчиків повороту
66 — сигнальна лампа розряду акумуляторної батареї
67 — резистор 50 Ом
68 — сигнальна лампа аварійного падіння тиску масла
69 — сигнальна лампа аварійного стану гальмівної системи
70 — контрольна лампа приводу повітряної заслонки карбюратора
71 — сигнальна лампа резервного залишку палива в баку
72 — запобіжник №18
73 — приймач покажчика рівня палива
74 — приймач покажчика температури охолоджуючої рідини двигуна
75 — датчик аварійного падіння тиску масла
76 — датчик аварійного рівня гальмівної рідини
77 — вимикач контрольної лампи стоянкового гальма
78 — датчик рівня палива в баку
79 — датчик покажчика температури охолоджуючої рідини
80 — перемикач склоочисника лобового скла
81 — електродвигун склоочисника лобового скла
82 — перемикач омивача лобового скла
83 — електродвигун насоса омивача лобового скла
84 — електродвигун опалювача
85 — додатковий резистор опалювача
86 — перемикач режимів опалювача
87 — запобіжник №7
88 — запобіжник №15
89 — запобіжник №12
90 — запобіжник №13
91 — датчик включення електровентилятора радіатора
92 — електродвигун вентилятора радіатора
93 — плафон освітлення салону
94 — підкапотна лампа
95 — звуковий сигнал
96 — кнопка звукового сигналу
97 — патрон підключення переносної лампи

1 — лампа лівого повторювача повороту
2 — лампа лівого переднього покажчика повороту
3 — лампа ближнього та дальнього світла лівої фари
4 — лампа лівого переднього габаритного вогню
5 — вимикач світла заднього ходу
6 — акумуляторна батарея
7 — електродвигун омивача лобового скла
8 — датчик покажчика температури охолоджуючої рідини
9 — датчик аварійного падіння тиску масла в системі змащення двигуна
10 — датчик аварійного рівня гальмівної рідини в бачку
11, 12, 61 — роз’єми жгутів проводів
13 — плафон освітлення салону
14 — роз’єм від датчика Холла
15 — розподільник запалювання з датчиком Холла
16 — електродвигун вентилятора радіатора
17 — звуковий сигнал
18 — підкапотна лампа
19 — котушка запалювання
20 — датчик включення електродвигуна вентилятора радіатора
21 — стартер
22 — блок керування електромагнітним клапаном карбюратора
23 — електромагнітний клапан карбюратора
24 — замикання «маси» карбюратора
25 — генератор
26 — лампа правого переднього габаритного вогню
27 — лампа ближнього та дальнього світла правої фари
28 — лампа правого переднього покажчика повороту
29 — лампа правого повторювача повороту
30 — електронний комутатор
31 — блок запобіжників
32 — вимикач аварійної сигналізації
33 — вимикач зовнішнього освітлення
34 — вимикач задніх протитуманних фар
35 — реле включення стартера
36 — реле дальнього світла фар
37 — реле ближнього світла фар
38 — реле аварійної сигналізації
39 — реле протитуманного світла
40 — вимикач запалювання
41 — реле вимикача запалювання
42 — вимикач контрольної лампи стоянкового гальма
43 — комбінація приладів
44 — перемикач режимів опалювача
45 — додатковий резистор
46 — електродвигун опалювача
47 — датчик рівня палива
48 — патрон підключення переносної лампи
49 — перемикач світла фар
50 — вимикач звукового сигналу
51 — перемикач покажчиків повороту
52 — перемикач омивача лобового скла
53 — перемикач склоочисника лобового скла
54 — електродвигун склоочисника лобового скла
55 — вимикач стоп-сигналу
56 — лампа лівого заднього покажчика повороту
57 — ліва лампа заднього габаритного вогню та стоп-сигналу
58 — лампа лівого фонаря світла заднього ходу
59 — ліва лампа протитуманного світла
60 — ліва лампа фонаря підсвічування номерного знака
62 — додатковий фонар стоп-сигналу
63 — права лампа фонаря підсвічування номерного знака
64 — права лампа протитуманного світла
65 — лампа правого фонаря світла заднього ходу
66 — права лампа заднього габаритного вогню та стоп-сигналу
67 — лампа правого заднього покажчика повороту

1 — акумуляторна батарея
2 — генератор
3 — реле стартера
4 — вимикач запалювання
5 — стартер
6 — реле вимикача запалювання
7 — замикання «маси» на карбюраторі
8 — електромагнітний клапан карбюратора
9 — котушка запалювання
10 — свічки запалювання
11 — датчик-розподільник запалювання
12 — комутатор
13 — блок керування електромагнітним клапаном карбюратора
14 — комбінація приладів
15 — контрольна лампа протитуманного світла
16 — контрольна лампа обігріву скла дверей багажника
17, 34, 38, 32 — резервні лампи
18 — контрольна лампа лівого повороту
19, 33, 36, 37, 43, 44 — лампи підсвічування комбінації приладів
20 — контрольна лампа правого повороту
21 — сигнальна лампа аварійного падіння тиску масла в картері двигуна
22 — сигнальна лампа стану гальмівної системи та рівня гальмівної рідини в бачку
23 — сигнальна лампа резервного залишку палива в баку
24 — сигнальна лампа розряду акумуляторної батареї
25 — резистор 50 Ом
26 — контрольна лампа стоянкового гальма
27 — сигнальна лампа аварійного падіння рівня масла в двигуні
28 — сигнальна лампа аварійного рівня охолоджуючої рідини
29 — запобіжник №16
30 — запобіжник №17
31 — лампа «STOP»
35 — контрольна лампа дальнього світла фар
39 — контрольна лампа приводу повітряної заслонки
40 — покажчик температури охолоджуючої рідини двигуна
41 — контрольна лампа вимикача зовнішнього освітлення
42 — покажчик рівня палива в баку
45 — вольтметр
46 — кнопка «TEST»
47 — вимикач контрольної лампи приводу повітряної заслонки
48 — датчик покажчика температури охолоджуючої рідини двигуна
49 — датчик рівня палива в баку
50 — датчик аварійного тиску масла в двигуні
51 — реле контрольної лампи стоянкового гальма
52 — вимикач контрольної лампи стоянкового гальма
53 — датчик рівня гальмівної рідини в бачку
54 — датчик рівня масла в двигуні
55 — датчик рівня охолоджуючої рідини в розширювальному бачку
56 — запобіжник №11
57 — вимикач аварійної сигналізації
58 — переривник покажчиків повороту та аварійної сигналізації
59, 60 — лампи лівого повороту
61 — лампа повторювача лівого повороту
62 — лампа повторювача правого повороту
63, 64 — лампи правого повороту
65, 66 — лампи світла заднього ходу
67 — вимикач ламп протитуманного світла
68, 69 — лампи протитуманного світла
70 — додатковий стоп-сигнал
71 — вимикач ламп світла заднього ходу
72 — вимикач стоп-сигналу
73 — перемикач світлової сигналізації
74 — підкапотна лампа
75 — запобіжник №10
76 — запобіжник №8
77 — вимикач зовнішнього освітлення
78 — вимикач світла фар
79 — запобіжник №5
80 — запобіжник №6
81 — запобіжник №18
82 — реле дальнього світла фар
83 — реле ближнього світла фар
84 — запобіжник №1
85 — запобіжник №3
86 — запобіжник №2
87 — запобіжник №4
88 — лампа лівого переднього габаритного вогню
89, 90 — лампи дальнього та ближнього світла фар
91, 92 — лампи підсвічування номерного знака
93 — електродвигун опалювача
94 — лампа правого стоп-сигналу та габаритного вогню
95 — лампа правого переднього габаритного вогню
96 — лампа лівого стоп-сигналу та габаритного вогню
97 — додатковий резистор
98 — вентилятор радіатора
99 — перемикач опалювача
100 — вимикач електродвигуна вентилятора радіатора
101 — запобіжник №7
102 — запобіжник №12
103 — переривник склоочисника
104 — насос омивача лобового скла
105 — склоочисник заднього скла
106 — склоочисник лобового скла
107 — реле обігріву скла
108 — патрон підключення зовнішніх споживачів
109 — запобіжник №14
110 — вимикач обігріву заднього скла
111 — запобіжник №15
112 — підкапотна лампа
113 — звуковий сигнал
114 — насос омивача заднього скла
115 — запобіжник №13
116 — елемент обігріву скла дверей багажника
117 — нагрівальний елемент прикурювача
118 — плафон
119 — кінцеві вимикачі плафона салону в бокових дверях

1 — реле контрольної лампи стоянкового гальма
2, 59 — лампи правого повороту
3, 21 — лампи стоп-сигналу та габаритного вогню
4, 20 — лампи світла заднього ходу
5, 19 — лампи протитуманного світла
6, 18 — лампи підсвічування номерного знака
7 — вимикач обігріву скла дверей багажника
8 — вимикач аварійної сигналізації
9 — перемикач склоочисників
10 — кнопка звукового сигналу
11 — перемикач світлової сигналізації
12 — датчик рівня палива
13 — обігрівач скла дверей багажника
14 — задній мотор-редуктор
15 — додатковий стоп-сигнал
16, 28, 78 — роз’єми з’єднання жгутів
17 — плафон освітлення багажника
22, 75 — лампи лівого повороту
23 — вимикач світла фар
24 — вимикач зовнішнього освітлення
25 — вимикач протитуманного світла
26 — вимикач запалювання
27 — електродвигун опалювача
29 — вимикач контрольної лампи стоянкового гальма
30 — реле обігріву скла дверей багажника
31 — нагрівальний елемент прикурювача з лампою
32 — вимикач контрольної лампи приводу повітряної заслонки
33 — передній мотор-редуктор
34, 35 — комбінація приладів
36 — реле дальнього світла
37 — переривник покажчиків повороту та аварійної сигналізації
38 — реле ближнього світла
39 — переривник склоочисника лобового скла
40 — датчик рівня охолоджуючої рідини
41 — вимикач стоп-сигналу
42 — патрон підключення зовнішніх споживачів
43 — блок запобіжників
44 — блок керування економайзером примусового холостого ходу
45, 69 — насоси омивача лобового скла та скла дверей багажника
46 — перемикач опалювача
47 — вимикач світла заднього ходу
48 — датчик рівня масла
49, 50, 78, 79 — кінцеві вимикачі плафона в бокових дверях
51 — плафон салону
52 — додатковий резистор
53 — електромагнітний клапан карбюратора
54 — датчик-розподільник запалювання з датчиком Холла
55 — замикання «маси» на карбюраторі
56 — електронний комутатор
57 — генератор
58 — лампа повторювача правого повороту
60, 76 — лампи дальнього та ближнього світла
61 — лампа правого переднього габаритного вогню
62 — реле включення стартера
63 — стартер
64 — датчик вентилятора радіатора
65 — котушка запалювання
66 — підкапотна лампа
67 — звуковий сигнал
68 — вентилятор радіатора
70 — датчик рівня гальмівної рідини в бачку
71 — датчик покажчика температури охолоджуючої рідини
72 — датчик аварійного тиску масла в двигуні
73 — акумуляторна батарея
74 — лампа повторювача лівого повороту
77 — лампа лівого переднього габаритного вогню
80 — антена магнітоли
81, 82 — запобіжники ланцюгів живлення магнітоли
83 — магнітола
84 — правий динамік
85 — лівий динамік
1 — роз’єм діагностики
2 — форсунка
3 — датчик положення дросельної заслонки
4 — електродвигун приводу дросельної заслонки
5 — паливний насос
6 — електромагнітний клапан
7 — реле паливного насоса
8 — сигнальна лампа системи впорскування (розташована в комбінації приладів)
9 — запобіжник 15 А
10 — реле обігріву
11 — запобіжник 10 А
12 — електронний блок керування (ЕБУ)
13 — пускове реле
14 — запобіжник 10 А
15 — модуль запалювання
16 — розподільник високої напруги
17 — свічки запалювання
18 — датчик концентрації кисню
19 — датчик температури охолоджуючої рідини
20 — датчик температури повітря
21 — датчик абсолютного тиску
22 — датчик положення колінчастого валу двигуна
23 — запобіжник 10 А
1 — роз’єм діагностики
2 — форсунка
3 — датчик положення дросельної заслонки
4 — електродвигун приводу дросельної заслонки
5 — паливний насос
6 — електромагнітний клапан
7 — реле паливного насоса
8 — сигнальна лампа системи впорскування (розташована в комбінації приладів)
9 — запобіжник 15 А
10 — реле обігріву
11 — запобіжник 10 А
12 — електронний блок керування (ЕБУ)
13 — пускове реле
14 — запобіжник 10 А
15 — модуль запалювання
16 — розподільник високої напруги
17 — свічки запалювання
18 — датчик концентрації кисню
19 — датчик температури охолоджуючої рідини
20 — датчик температури повітря
21 — датчик абсолютного тиску
22 — датчик положення колінчастого валу двигуна
23 — запобіжник 10 А
24 — додатковий роз’єм

1 — монтажний блок запобіжників ПР120
2 — монтажний блок запобіжників ПР112
3 — вимикач аварійної сигналізації
4 — перемикач покажчиків повороту
5, 7, 9, 11 — лампи покажчиків повороту у блок-фарах та зовнішніх задніх ліхтарях
6, 10 — лампи бокових покажчиків повороту
8 — реле-переривник покажчиків повороту та аварійної сигналізації
12 — вимикач запалювання

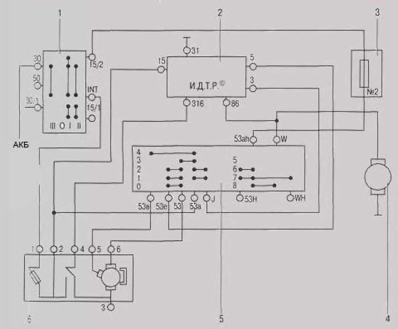
1 — вимикач (замок) запалювання
2 — переривник склоочисника лобового скла
3 — монтажний блок запобіжників
4 — електродвигун омивача лобового скла
5 — перемикач електродвигуна склоочисника лобового скла
6 — електродвигун склоочисника лобового скла

1 — вимикач (замок) запалювання
2 — монтажний блок запобіжників
3 — перемикач режимів роботи електровентилятора
4 — блок додаткових резисторів
5 — електродвигун опалювача
6 — акумуляторна батарея


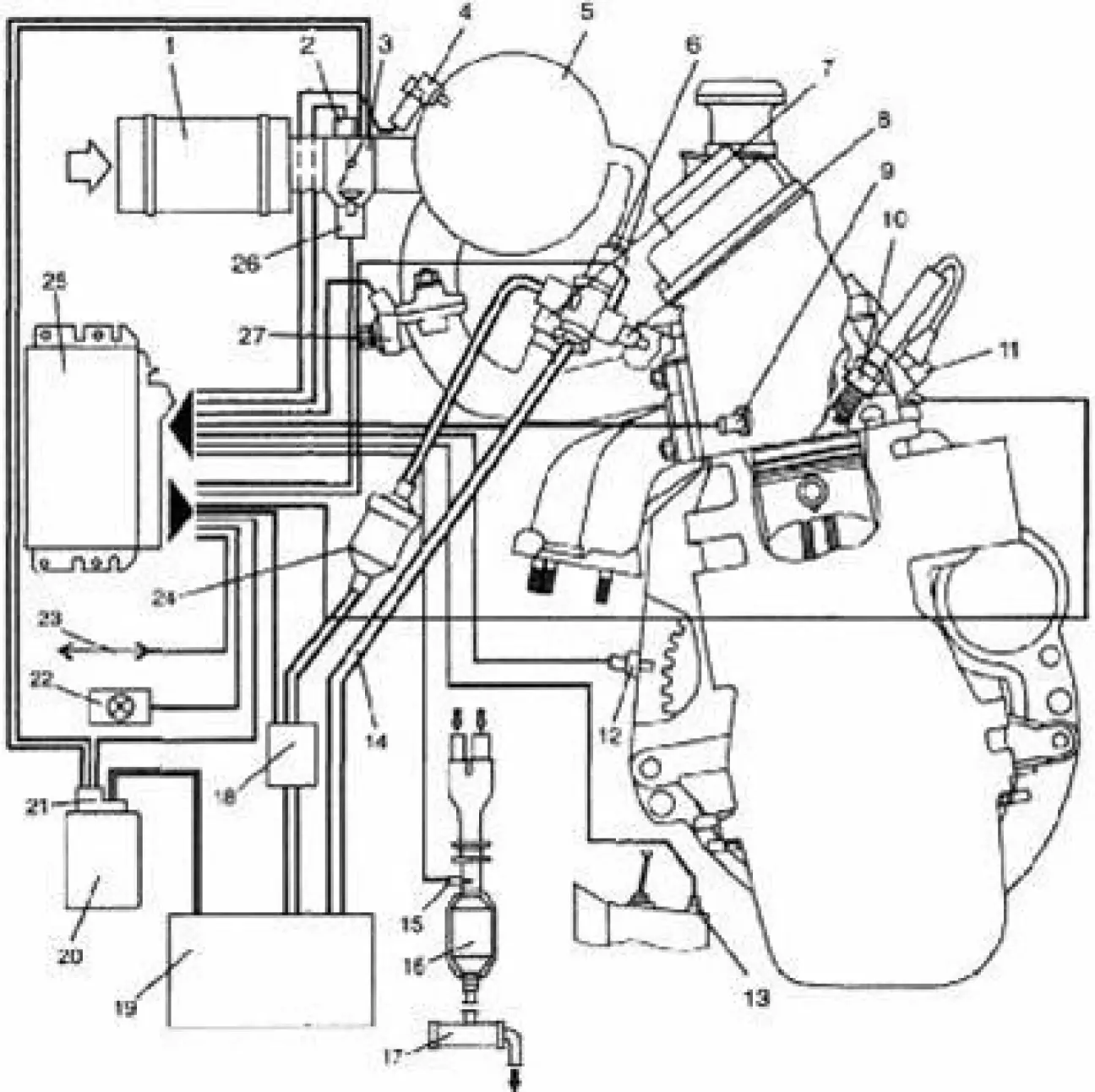
1 — повітряний фільтр
2 — датчик положення дросельної заслонки
3 — дросельний патрубок
4 — датчик температури повітря та абсолютного тиску
5 — ресивер
6 — регулятор тиску палива
7 — рампа паливних форсунок
8 — форсунка
9 — датчик температури охолоджуючої рідини (сигнал на контролер)
10 — свічка запалювання
11 — модуль запалювання
12 — датчик частоти обертання та положення колінчастого валу
13 — датчик швидкості
14 — трубка рециркуляції палива
15 — датчик кисню
16 — каталізатор
17 — глушник
18 — паливний насос
19 — паливний бак
20 — адсорбер
21 — клапан продувки адсорбера
22 — контрольна лампа СРВТ
23 — діагностичний роз’єм
24 — паливний фільтр
25 — контролер
26 — регулятор холостого ходу
27 — датчик детонації

1 — жгут проводів СРВТ
2 — хомут кріплення жгута проводів
3 — генератор
4 — двигун
5 — отошгтель (ймовірно, опора двигуна або ізоляційна підкладка)
6 — стартер
7 — кронштейн жгута проводів
8 — кронштейн педалей

1 — реле живлення
2 — запобіжник модуля запалювання
3 — запобіжник електробензонасоса
4 — реле вентилятора радіатора
5 — реле електробензонасоса

1 — покажчик повороту
2 — фара головного світла
3 — реле включення електродвигуна вентилятора радіатора
4 — термовыключатель вентилятора радіатора
5 — електродвигун вентилятора радіатора
6 — звуковий сигнал
7 — акумуляторна батарея
8 — стартер
9 — свічки запалювання
10 — датчик-розподільник запалювання
11 — генератор
12 — комутатор
13 — котушка запалювання
14 — датчик покажчика температури охолоджуючої рідини
15 — датчик аварійного тиску масла
16 — реле контролю заряду акумуляторної батареї
17 — вимикач ліхтарів заднього ходу
18 — електродвигун омивача лобового скла
19 — датчик аварійного рівня гальмівної рідини в бачку
20 — кінцевий вимикач економайзера примусового холостого ходу (ЕПХХ) карбюратора
21 — електромагнітний клапан
22 — електродвигун склоочисника лобового скла
23 — боковий покажчик повороту
24 — реле включення ближнього світла фар
25 — реле-переривник покажчиків повороту
26 — реле включення дальнього світла фар
27 — блок керування ЕПХХ
28 — штепсельна розетка
29 — переносна лампа
30 — вимикач стоп-сигналів
31 — жгут проводів передній
32 — блок запобіжників (див. список)
33 — вимикач аварійної сигналізації
34 — вимикач протитуманних ліхтарів
35 — вимикач зовнішнього освітлення
36 — вимикач (замок) запалювання
37 — додаткове реле вимикача запалювання
38 — підрульовий важільний перемикач фар та сигналу дальнім світлом
39 — підрульовий важільний перемикач покажчиків повороту
40 — вимикач звукового сигналу
41 — підрульовий важільний вимикач склоочисника лобового скла
42 — важільний вимикач омивача лобового скла
43 — перемикач опалювача
44 — додатковий резистор
45 — електродвигун опалювача та вентиляції
46 — термобіметалевий запобіжник (16 А)
47 — щиток приладів
48 — покажчик рівня палива в баку
49 — покажчик температури охолоджуючої рідини
50 — контрольна лампа дальнього світла фар
51 — контрольна лампа аварійного рівня гальмівної рідини та включення стоянкового гальма
52 — контрольна лампа покажчиків повороту
53 — контрольна лампа аварійного тиску масла
54 — контрольна лампа роботи генератора (заряд батареї)
55 — спідометр
56 — плафон освітлення салону
57 — з’єднувальна колодка переднього та заднього жгутів проводів
58 — жгут проводів задній
59 — вимикач контрольної лампи стоянкового гальма
60 — лампа заднього покажчика повороту
61 — двониткова лампа стоп-сигналу та габаритів
62 — лампа ліхтарів заднього ходу
63 — лампа заднього протитуманного світла
64 — лампа підсвітки номерного знака
65 — задній ліхтар
66 — датчик покажчика рівня палива
Позиції приладів, що встановлюються на частину автомобілів ЗАЗ-110206:
67 — реле обігріву
68 — реле часу омивача заднього скла
69 — вимикач склоочисника заднього скла
70 — вимикач обігріву заднього скла
71 — електродвигун омивача заднього скла
72 — обігрівач заднього скла
73 — електродвигун склоочисника заднього скла
Списку ланцюгів, що захищаються запобіжниками:
№ 1 (16 А)*
№ 2 (8 А)
№ 3 (8 А)
№ 4 (8 А)
№ 5 (8 А)
№ 6 (8 А)
№ 7 (8 А)
№ 8 (8 А)
№ 9 (8 А)
№ 10 (8 А)
№ 11** (16 А)
* У дужках зазначена максимальна сила струму запобіжника
** Запобіжник встановлений в окремому корпусі
Я створив його насамперед для тих, хто буде шукати інформацію через пошук на Driver.TOP і зможе одразу знайти повний перелік схем та їх розшифрування.