Привіт, сьогодні розкажу за наслідки які появились після ДТП проте не одразу.
Після того як зробив авто після ДТП почав замічати що в антифриз починає попадати масло, одразу після цього подумав про те, що це може бути теплообмінник, який майже зразу був замінений.
Процедура відбувалась ще у середині січня приблизно , тоді злив повністю антифриз з системи, поміняв теплобмінник , та відмив бачок охолоджувальної рідини, буквально через тиждень замічаю що в бачку знову починає появлятись масло, так ще й рівень антифризу падає не сильно але замітно, тоді з батьком поговорили та й думаєм, можливо в системі залишилось масло на стінках тому воно й закидує ще на верх.

Катався я так десь до середини лютого, до поки одним вечором я замітив що машина тяжко заводиться а також починала підтроювати на холостих буквально секунд 10 , і тоді вирівнювалась, так ще й в цей вечір вискочив "чек" . Чесно кажучи в цей момент я просто вже сидів і не розумів що від мене це авто хоче😁
Приїхавши до хати маємо наступну картину :

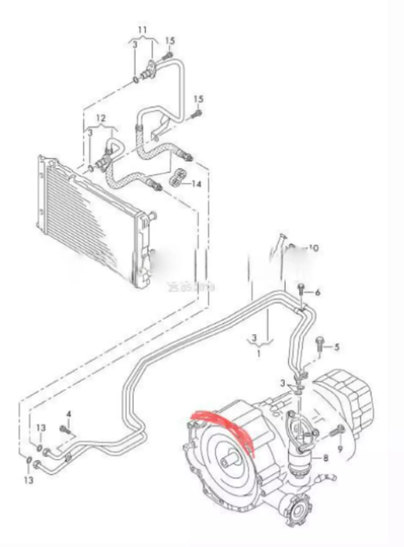
Тепер найцікавіше звідки масло? якщо теплообмінник замінений, так ми казали до останнього, до поки банально не взяли масло шприцом з бачка антифризу і по запаху зрозуміли що масло з коробки...
Після цього знов гуглимо, і не можу зрозуміти одного, теплообмінника окремого на коробці немає, так де ж він?
А виявляється що масло з коробки патрубками з фільтру коробки іде в радіатор охолодження, і тут пазл починає складатися
1) ДТП було саме в морду, де пошкодився радіатор кондиціонеру, проте не думав що й основний також
2)Антифриз почав пропадати , а масло наоборот закидало в антифриз
Вирішив що буду міняти значіть радіатор основний також.
Вихідні , машина в гаражі, запчастини куплені що саме брав до заміни :
Процес детально описувати не буду адже інфи по заміні радіатора досить багато , якщо коротко то це обов'язково скидання морди, перед цим звичайно злити повністю антифриз з системи, і скидаємо по дорозі все що мішає добратися до радіатора 😁 Після години часу приблизно маємо таку картину)
На момент до поки я скидав бампер та розкручував все додаткове, батько взявся замінити додатковий насос, і яке було здивування того що насос цілий, проте фішка яка йшла до нього згоріла... 20 хвилин, фішка донор, та трошки навичків людини яка цим все життя займається, ііі насос працює, це прикольно адже насос не дешевий і коштував в районі 3 тис. грн. і зекономити 3 тис. було досить класно, проте як виявиться дальше ці 3 тис. всеодно пригодились))
Після того як скинули радіатор, вже вирішили глянути як взагалі себе почуває ремінь ГРМ адже замінений він був 3 роки тому, а також вже 65 тис. км накатано було .
зняли ми тільки верхню кришку де захований ГРМ і бачимо що ремінь вже досить в поганому стані. І тут розумію що ось і пригодились ці зекономлені гроші, проте авто зібрати вже сьогодні не можемо бо ременя на місці не було тому потрібно було залишати машину на 2 дні до понеділка .
В неділю повернувся до Львова, а в понеділок зранку вирушив за ременем.
Десь 12 година дня, я ще катаюсь по справах паралельно, і тут звінок від батька з сміхом і тут я чую :"слухай є 2 новини добра і погана по машині, Перша новина - я знаю куди пропадає антифриз , друга новина в тебе помпа потекла" і тут склався пазл ще остаточніше , як виявилось потім,в радіаторі де підходило масло коробки воно мішалось з антифризним, а ось сам антифриз вже пропадав бо помпа текла, плюс до цього всього ще й запалення не ремені ГРМ було виставлено погано не по мітках.
Приїхавши знову до авто , тато показує помпу
На цей час я вже взяв не тільки ремінь а повністю комплект ГРМ щоб замінити і мати спокій вже точно на довго
Після того як все замінили , виставили запалення , поставили доп. помпу, замінили свічку( процес заміни свічки простий 2 хв. роботи) а також замінили радіатор потрібно було долити масло в коробку , адже ми десь з бачка злили мл. 400 якщо не 500 , плюс в системі по патрубках ще десь до пів літри вилилось
Щоб долити масло ми відкрутили патрубки на фільтрі , адже доступ до фільтру трошки по дурному знаходився, то вирішили через шприц і патрубки заливати, залили приблизно літру масла, закрутили все на місце. ( масло заливається в такий спосіб довго зразу попереджаю)
Також дуже важливий нюанс по заміні , потрібно обов'язково поміняти резинки які ідть на патрубках до фільтра коробки а також до радіатора, бо вони з часом зсихаються і через них масло просто протікає
Після того як все закинули , підключили не забувайте все закрутити адже я на наступний день виїжджаючи на машині коли нажав газу , налякався як у мене шось вистрілило під капотом і машина перестала їхати, як виявилось просто патрубок до інтеркуллера вилетів бо я не закрутив його хомут)
Дякую за перегляд всім мирного неба 😇
А от саме зараз я помічаю проблему при вмиканні клімату, коли вентилятори починають працювати, йде неприємна вібрація спереду. Я колись раніше стукнув телевізор, і пара кусків від нього відпала. Знайшов їх на пластику що під двигуном. І от помітивши от цю вібрацію, вже думаю над заміною телевізору. Тай розібравши там все, буде логічним змінити всі ролики, помпу та термостат.