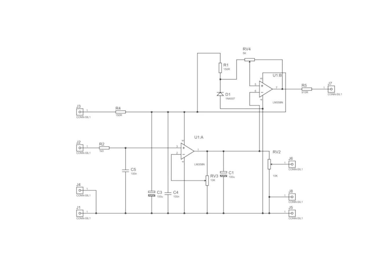
И так, разрабатывая очередное устройство обратил внимание на включение микросхемы LM 358. По поигравшись с ней пару вечеров, спроектировал ПРОСТУЮ схему (по задумке может работать с любыми газовыми датчиками, но надо проверять).Отличие от предыдущих вариантов не нужен повышающий модуль и более простая схема.
Собрал плату, стендовые испытания прошли нормально, буду вставлять в корпус и монтировать на авто.
Данное устройство отображает объем в литрах и сигнализирует о низком уровне ГАЗА в баллоне.
На фотках — схема, полный бак, и 10 Л в баке горит светодиод остатка газа
Комплектующие:
1-Датчик AS WPGH-1 выходной сигнал 0,8-4,5V
2- Цифровой вольтметр постоянного напряжения (измерение до ) 100 V
3- Простая схемка
как выпадет свободная минутка распишу подключение и настройку
26,03,21 сегодня предварительно собрал все до кучи,


начал править документацию, для того чтобы это мог спаять человек который хоть как то умеет держать паяльник, после вылизывания, ненужные фотки будут удалены, останутся только правильные.
25,07,21
Всем привет вот и занял индикатор свое место в машине
