Peugeot 5008 (1G) (5008)

JBL у 5008

Я їжджу на Peugeot 5008 (1G), Peugeot Expert (2G), Peugeot iOn
Павлоград, Україна

Бажаю здоров'я! Поставив ще одну галочку у списку по покращенню комплектації. До певного моменту якось нейтрально відносився до якості звучання музики в авто - грає та й добре, головне для мене було, щоб не рипіло, все інше мене мало турбувало. Але до певного моменту... поки не сів у такий же 5008 пиж у товариша, але у більш жирнішій комплектаціїї і послухав його звучання. Різницю навіть не взмозі описати. У нього була штатна NG4 з системою Hi-Fi JBL. І тоді я вирішив, що музика і в моєму пижику має бути кращою. 

Через деякий час на шроті був знайдений комплект за адекватні гроші. В комплект входили пара твіттерів з решітками, динаміки передніх та задніх дверей, сабвуфер, 8-канальний підсилювач та частина коси з роз'ємами.






Кому цікаво - партномери динаміків




Заміна пищалок та динаміків - найлегша робота: знімаємо карти, відкручуємо старі, ставимо нові. Решітки твіттерів піддіваємо гачком, навіть нічого крутити не треба, вони на защьолках.







 Місце розташування саба під пасажирським сидінням, тому почав з його демонтажа та демонтажа речового ящика під ногами пасажира 



 Сам саб кріпиться на 5 шпильках під правим вентилятором обдува середнього ряду






Резонатор займає нішу ящика для речей, тому від нього треба відмовитися





Щоб не латати ковролін, вирішив як декор залишити кришку ящика. Для цього обрізав рамку, вклеїв в отвір ковроліна та приклеїв кришку










Найскладніше було встановити підсилювач. Штатно його розташування за правою картою багажника




але тягнути туди косу через весь салон я не мав бажання. Плюс треба було б міняти саму карту (якщо встановлений підсилювач - має бути відсутня бокова кишеня)



Раціональніше було б встановити його біля магнітоли, і місце таки знайшлося за блоком клімата


Кріплення зробив із рідного кронштейна, який йшов у комплекті з підсилювачем.



Трохи його підрізав



просварлив додаткові отвори і прикріпив до пластикової перегородки





Підсилювач став чітко за блоком клімата, як там і мав бути))





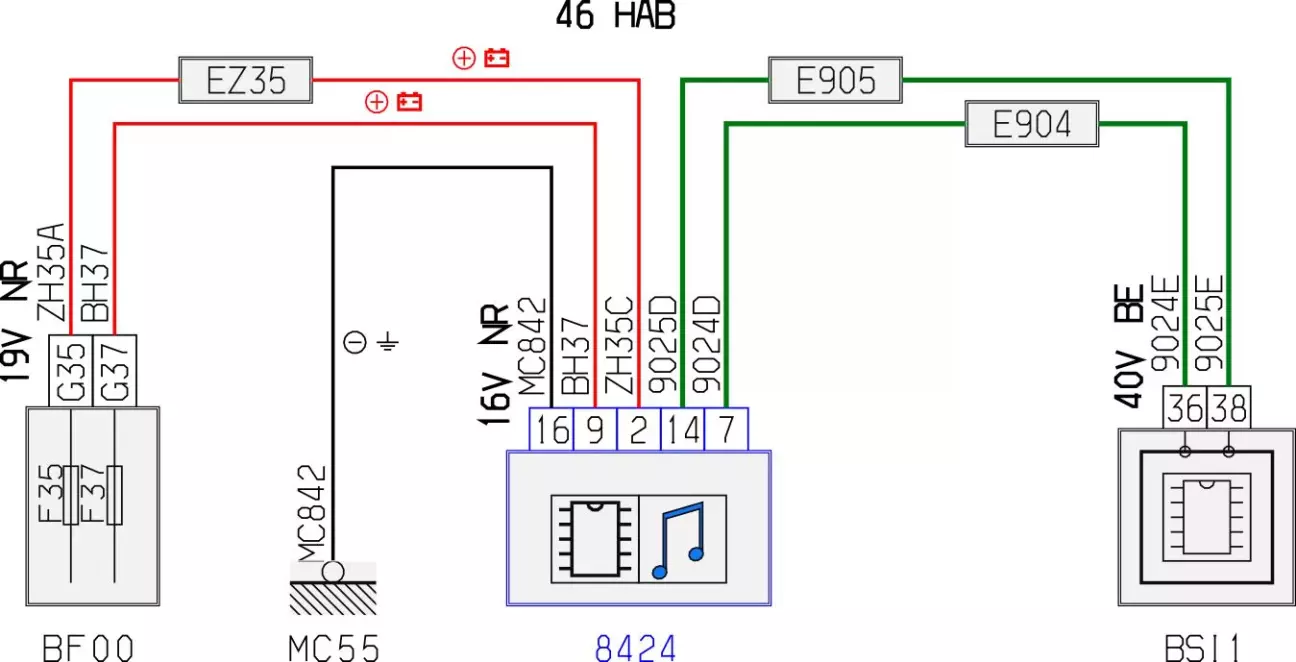
Наступним етапом було підключення. Для того із седри витягнув схеми і з ними працював


Схема RT6 без підсилювача



Схема NG4 з Hi-Fi



Без підсилювача



Hi-Fi


Підсилювач бере живлення по схемі від блока запобіжників BF00, що біля BSI



і тут мене чекав сбрприз, потрібен додатковий термінал, якого у мене не було



Дяка Evgen_PSA, який вкотре мене виручив)))





 

Єдине що зробив не по схемі - це підкинув CANшину до магнітоли, а не до BSI задля економії дротів.

Такий вигляд мала машина в процесі підключення, щоб нічого не переплутати)))





Заключний етап - це активація та налаштування діагбоксом.

Спершу треба прописати новий блок у BSI 











В глобальному тесті з'явиться новий блок



Далі налаштування самого підсилювача








для RT6


І останнє налаштування магнітоли. Тут можна використати як діагбокс, так і скрипт. Якщо через діагбокс











Якщо скриптом





Ну і на останок маленькі дрібнички, щоб було не тільки чути, що в машині встановлена преміальна акустика))





Всім дякую за увагу!

Реклама
Зимова вигода: знижка -1000 грн на ремонт авто!

Ціна питання 8400 UAH, Пробіг 290000 км.
Опубліковано: 07 грудня 2025р. 00:00
0 0 2

Коментарі

Щоб залишати коментарі, потрібно авторизуватись.