В серпні цього року відсунув всі інші роботи, набравшись мужності або ж сили, підготував все помалу, запряг помічника і погнали знімати двигуна.

До

До

Сокс

А також імпровізована балка самопал під стелею
Фотки роблю в послідовності розбірки, щось можу забути, також є фотки як розбирав карбюратор NIKKI 30/34 і книжки(скановані) по них, якщо треба -звертайтесь закину на пошту чи що.
попередньо зняв все що можна, фішки позначив (хоча мабуть проводка під заміну)

стан відсіку двигуна

Розташування трубок підігріву , щоб не забути

Відкручую центральний болт, знімаю планку , відкручую ще дві гайки на шпильках корпусу

кріплення тільки з синього корпусу відкрутив, інша сторона мертво прикипіла.

Відкручую на гбц кронтейн троса, і загалом огляд як він там закріплений


насос бачка омивайки настільки оригінал що вже тупо зіржавів і не працював з 2019

Зкидаю нижній патрубок радіатора, зливаю охолоджуючу рідину

Зкидаю верхній патрубок радіатора, загалом корпус термостата досить проблемне місце бо тече

Так як моторист не заморочувався схемою підключення датчика термостату, то батько ставив примусове на вентилятор. Такі то справи.

Знімаю трос зщеплення і масу з коробки, до уваги трос треба тримати за різьбовий край бо в сорочці нічим не фіксується, можна дуже довго крутити без толку.

Відкручую трос спідометра, він має свій болт і не так легко його вийняти, нетреба спішити помилка коштує дорого

Від'єдную верхній патрубок пічки

Нижній патрубок пічки(вигляд закритий шлангом)

Відкручуємо масу з коси проводки що йде на кпп

Відкручуємо масу з двигуна на стійку

Фішку на карб здається, за двигуном де маслопідігрівач від'єднуємо, підігріває то все охолоджуюча рідина.

Загальна картина з тої сторони

Піддомкрачую кожну сторону і знімаю привідні вали, лівий легко, правий треба зняти ще проміжну опору з корпусу двигуна. Щоб зовнішній шарнір зняти треба знімати поворотний кулак з кульовї опори(вона приварена до важеля підвіски), знімати також тягу стабілізатора. На ауді відкручував опору і не знімав стабілізатора для цих цілей)

Дроти з цього пасажира теж знімаємо

Незовсім подобається його розташування - коло колеса, ймовірність залити велика, хоча по заводу мав би бути якийсь щиток чи кожух

Від'єднуємо з корпусу термостату всі фішки і вакуум коректор

Якеж то все нещасне

Ніби все навісне зняли, генератор, стартер не знімав! Хоча десь в москалів без зняття цих причандалів не виходило зняти, в мене не виходило зовсім інакше. Головний біль став зрозумілий що двигун і кпп мають чотири подушки, одна бокова і три знизу.

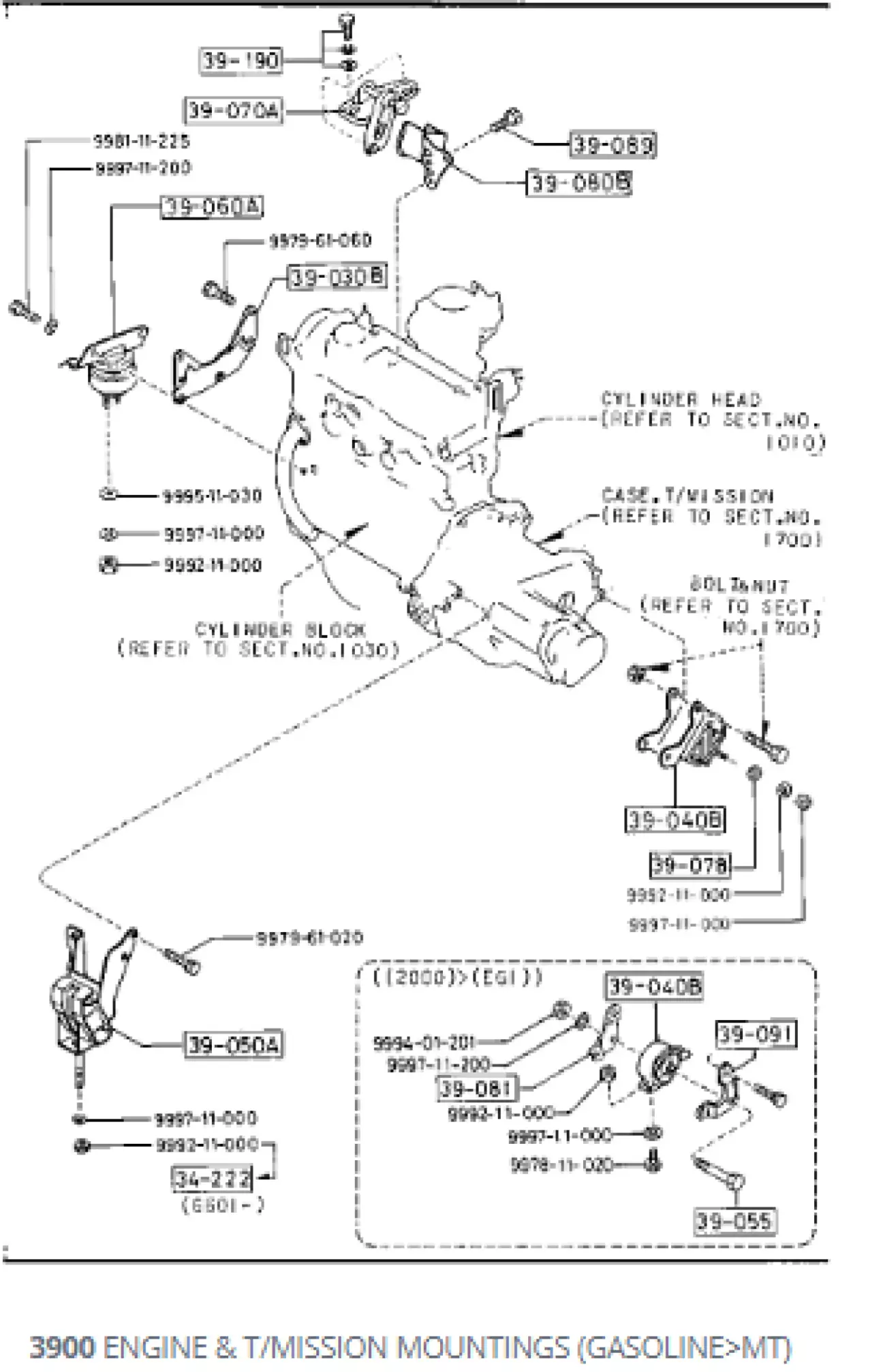
схема з екзісту, якість бажає кращого

Подушка з переду(знята)

подушка з середини ( важкодоступний болт видно, так і не зняв) там з доступом туговато

Ледве там руку зігнеш, ракурс правда невдалий

Для цієї подушки треба тільки від підрамника відкрутити.
Всі подушки треба також відкрутити від підрамника, бо я не зразу їх побачив( все забито брудом і болотом) почав підіймати двигун і перед авто теж почав підійматись)
Припіднявши двигун разом з кпп, дам слушну пораду - зрізати штатне кріплення від штанів до вихлопної, інакше воно не роз'єднається.

болгарка 125 диск і вжууух питання знято
Також треба відкрутити від гідропідсилювача шланги до рейки, але там без зауважень.
Незнаю що там кацапам не лізло, з помічником зняли, правда не за один день, поки всі ці нюанси проконтролюєш трохи піде часу.
На двигуні є шатно петлі, ланц і карабіни то вже по місці.




Окремо не сподобався польський стенд - сирий, мусив зварювати в суцільно (розбірний майже склало як почав ставити тільки двигун) , давати підсилення. ніби і не програв але за 3к можна було пояскравіше щось там додати. з під коробки він труп. Хоча сам підхід мені сподобався і колеса сталеві теж. Якось так зняв двигун і наразі процес зупинився через інші роботи. Послухав Genesis, Billy Idol, Tears for Fears поки писав цей скромний допис. Всім гарного вечора, а мені треба картопельку посмажити.
Реклама
Зимова вигода: знижка -1000 грн на ремонт авто!
Опубліковано: 18 листопада 2025р. 23:42