Всім привіт!
Сьогодні мова піде про підігрів керма. Як на мене - це одна з найкращих опцій, які можуть бути для холодної пори року. У жипа все просто - підігрів сидінь і керма йде у багатьох комплектаціях, ну окрім базових, а от для лінка - це лухарі опція яка входить в пакет, що як на мене - дивно. Так як я вже знаю наскільки це приємна опція - то відразу було прийнято рішення ставити кермо з підігрівом.
І так, поїхали, що нам треба:
Кермо з пружиною і модулем знайшов у нас за 150 баксів. Проводку і підключення сам зробив.
Що потрібно дня підключення?
Знімаємо подушку руля, кермо і пружину.
Знімаємо клему АКБ щоб подушка не спрацювала випадково. Для зняття подушки руля треба тонка викрутка чи шестигранник, знизу є отвір, тиснемо на пружину і низ подушки відкривається, верх подушки тримається на двох гачках, коли низ вільний можна натиснути на верхні пружини. Далі треба відʼєднати клеми піропатронів, спочатку піддіти запобіжник, а потім відʼєднати саму клему.
Тепер відʼєднуємо верхню фішку і відкручуємо руль.
Далі знімаємо кожух керма, два гвинтика знизу, обидві половинки кожуху на застібках, легко роз'єднати.
Монтуємо наш модуль, краще всього зняти панель на якій змонтовано перемикача світла і тоді буде доступ. Модуль по заводу змонтовано за цією панеллю всередині на рамі.
Якщо модуль купити без відповідного конектора, то ось на Алі можна взяти.
також на Алі треба прикупити конектор якого не вистачає і ще треба будуть два піни типу мама, щоб допінувати розʼєм.
Готуємо проводку.
У мене ось так вийшло
Гарне фото зробив колега, який підключав кермо на фʼюжині, теж додав.
Тепер трохи по цьому фото:
Нижня фішка - це з Алі, тягнемо туди два провода, права фішка вже є на авто, сюди треба додати два піна типу мама. У мене були якісь фішки від жипа, витяг там піни.

Кермову проводку зафіксував стяжками
Від модуля теж зафіксував стяжками
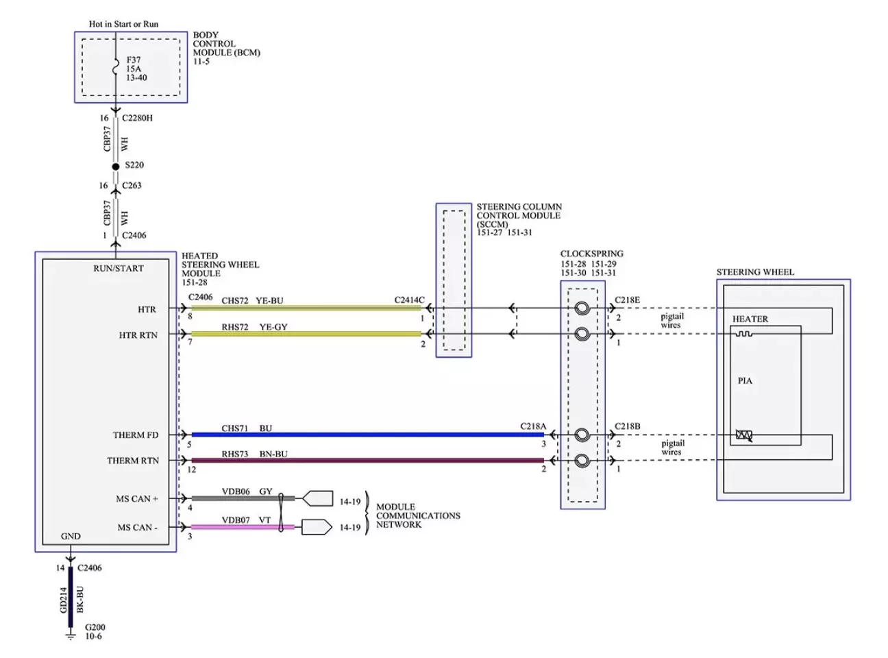
Куди підключити землю?
По схемі треба знайти G200, щось я не знайшов де та точка G у перлинки, тому повісив на болт, який за цією панелькою (сорі, забувся зробити фото).
Живлення модуля.
Плюс тягнемо до запобіжників. На лінку не дуже зручно щось довстановлювати, всі елементи дуже щільно запаковані, навіть шпаринки нема. Протяг плюс вздовж трубчастого підсилювача, його відразу видно як заглянути знизу. Щоб дістатися до запобіжників, які знаходяться в ногах пасажира, треба зняти панель, яка тримається на трьох пластикових кліпсах типу ялинка, просто тягнемо їх вниз, також треба зняти ліву панель в ногах пасажира, так буде зручніше, вона теж на кліпсах.
По схемі треба було підпаятися до запобіжника #37, але там настільки мало місця, що це зробити важкувато, тому я купив на Алі отакий провід і без проблем заживився від запобіжника.
CAN підключення.
По схемі так і не зрозумів куди його тягти, тому підпаявся до OBD розʼєму. Тут все просто, відкрутив OBD, він на лінку складається з двох частин, від’єднуємо сам OBD і на розʼємі шукаємо два піна, нам треба №22 і 23.
Наче все … збираєм все у зворотньому порядку. Тут требп мабуть додати, що потрібно вірно встановити годинникову пружину. Якщо вона йде нова, то на ній є спец стопор, щоб до встановлення її не прокрутили, але у нас б/у і хто зна, як її зняли...потрібно встановити пружину на рульову колонку, прокрутити до упора проти годинникової стрілки(треба бути обережним, щоб не пошкодити пружину в крацній точці), потім рівняємо коннектор вгору, і крутимо три повні оберти за годинниковою стрілкою, все, пружина у вірному полоденні.
Активація підігріву керма
Heated Steering Wheel Module (HSWM) - налаштування температури:
714-01-01: 0000 0000 1D
Обираємо температуру:
714-02-01: 0244 4444 xx — Wheel Temperature = 20ºС — 2013/2014/2015 Fusion/MKZ Default
714-02-01: 024C 4C4C xx — Wheel Temperature = 24ºС
714-02-01: 0254 5454 xx — Wheel Temperature = 29ºС — Mondeo Default
714-02-01: 0258 5858 xx — Wheel Temperature = 31ºС
714-02-01: 025A 5A5A xx — Wheel Temperature = 32ºС
714-02-01: 025C 5C5C xx — Wheel Temperature = 33ºС — 2016/2017/2018 Fusion Default
714-02-01: 025E 5E5E xx — Wheel Temperature = 34ºС
714-02-01: 0264 6464 xx — Wheel Temperature = 38ºС — 2016/2017/2018 MKZ Default
У мене стояв останній варіант, занадто гріє, а ж пальці підгорають, поставив 33ºС.
Front Controls Interface Module (FCIM) - активація підігріву керма:
HSW Master Enable: 7A7-01-02: xxx8 xxxx xxxx
Accessory Protocol Interface Module (APIM) - обираємо конфігурацію підігіву на авто:
Pick One for On-Screen Controls:
7D0-01-01: xxxx xxxx x4xx — Heated Steering Wheel Only (підігрів тільки керма).
7D0-01-01: xxxx xxxx x7xx — Heated Steering Wheel and Seats(підігрів керма і сидінь) - нам треба цей варіант.
7D0-01-01: xxxx xxxx x6xx — Heated Steering Wheel and AC/Heated Seats (підігрів керма, сидінь і вентиляція сидінь).
Далі запускаємо процедуру перезапуску APIM.
Ось і все, тепер лухарі опція на вашому лухарі Лінку ))
Якось так. Як будуть питання - пишіть...
Всім гарного дня і мирного неба над головою!
Не знаю наскільки добре напряму в запобіжник йти, але якщо що по схемі там треба зайти в 16й пін c2280h фішки на бцм