Спроба вирішити споконвічну проблему заміни штатних систем на андроїд.
Якось в групі PSA читав, що людям дуже не подобається звук мікрофона петлички у поєднанні з андроїд системою. Та й справді, без підсилювача воно звучить нижче плінтуса. Саме тому, коли я ставив петличний мікрофон то використав звичайний дешманський підсилювач MAX4466, який повністю виправив цю проблему. Але всі ці розмови таки зародили сумніви у моїй голові.
Першим ділом пішов досліджувати штатний мікрофон. Виявилось, що він підключається по всього 2х проводах і працює на напрузі 3.6V. Це означає, що мікрофону потрібне фантомне живлення, котре виконує 2 функції: живить сам мікрофон, та передає сигнал від нього. Схема доволі проста, тому чому б не спробувати порівняти його зі звичайною петличкою?

Щоб зробити схему фантомного живлення і зчитування сигналу, потрібно всього кілька копійчаних деталей і бажання:
Список такий:
Це ті компоненти, які використав я, але ви можете використати будь-які інші, що підходять по параметрах.
Схема цього дійства така:

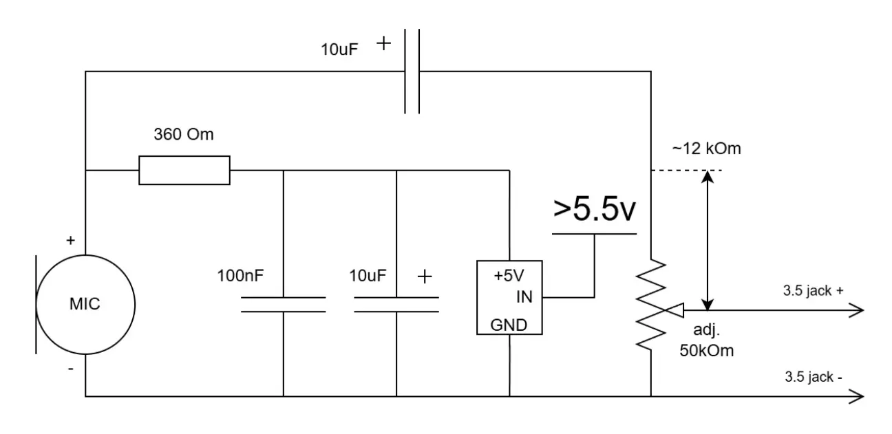
Мушу зауважити, що номінал резистора в 360 Ом підбирався, таким чином, щоб отримати 3.6v на виводах мікрофона. Як видно за схемою: нічого складного. Отже, приймаємось за роботу й отримуємо щось схоже на оце:
Вірю, що ви зможете запаяти все акуратніше, але все працює ;). На схемі я позначив контакти потенціометра, які потрібно накрутити на 12 кОм: це початковий гейн (підсилення) мікрофону. Воно повинно працювати адекватно одразу. Але після встановлення було б добре провести ще тонке налаштування, прослуховуючи мікрофон і підлаштовуючи потенціометр (за годинниковою стрілкою - збільшити гейн, проти - зменшити гейн).
Оскільки в мене в плафон вже проведена петличка, вирішив нічого не думати з кабелем і просто під'єднати штатний мікрофон до цього кабелю. Тому я взяв вищезгаданий подовжувач 3.5, відрізав його кінці та припаяв до цієї платки, також припаяв кабель для живлення й обтягнув все в термоусаджувальну трубку:
Навіть нічого так. Трохи незграбно прорізав отвір для налаштування потенціометра.
До самого штатного мікрофона взяв 2 проводки Dupont як адаптери для підключення. Виявилось, що вони чудово тримаються на контактах самого мікрофону. Припаяв їх до іншого кінця кабелю в плафоні. Живлення взяв з виводу живлення на антену, бо воно зручно виведено і знаходилось під руками.
І... Звучить помітно краще за петличку, якщо порівнювати влоб. Проте якоїсь катастрофічної різниці справді немає, бо петличка з підсилювачем давали чудовий звук. Але ось відмінність: штатний мікрофон помітно сильніше ріже низькі частоти, через що чутно менше паразитних звуків. Чіткіше пише середні частоти.
Тільки от виявилась проблема, яку не чекав: за межами плафона мікрофон працює помітно краще (якщо тримати мікрофон в правильному положенні, але під штатним місцем). Маю на увазі, що після вставляння мікрофона в штатне місце появляється якийсь негарний низькочастотний резонанс. Мабуть, пластик плафона чудово передає вібрації від мого бубнявого голосу на корпус мікрофона..
Не біда. Більшою мірою цю проблему можна доволі просто вирішити частково модифікувавши сам мікрофон ))

Міцно сидить. Довелось трохи помучитись, щоб витягти його. Так от, ідея в тому, щоб розвернути капсулу електрета до низу. На момент цієї витівки, я не знав, чи це спрацює і, спойлер, спрацювало на ~80%.
Тому я відпаяв капсулу і припаяв через обрізки ніжок конденсатора ось так:
Після цього приклеїв шмат ізоляції на стінку, котра близько до платки, бо на ній на самих краях оголені контакти. Не приємно, коли є ризик зустрічі з металевою оболонкою капсули. Сам корпус довелось трішки поковиряти канцелярським ножем, після чого все чудово сіло на свої місця. Отой поролон, який був біля капсули, я поклав під низ, а з боків платки чудово вписались шматочки віброізоляції:
В зібраному стані нічого не видає, що цей мікрофон пережив варварські дії. І так, воно тепер звучить справді краще, ніж петличка. Чи прямо таки сильно краще? Ну ні, але різниця помітна і це приємно.
Цей запис актуальний для всіх автомобілів, з такою моделлю мікрофона 79653D.
Ця схема абсолютно придатна для будь-яких інших штатних мікрофонів, що живляться через 2 проводи. Тільки от якщо він штатно живиться від іншої напруги, тут потрібно буде підбирати інший номінал резистора, або й стабілізатора, якщо він потребує вищої напруги. Але то вже дрібниці та з цим не складно впоратись.
Пробіг 282700 км.