Audi A6 Avant (C5) (Quattrушка)

Маленька шпаргалочка

Я їжджу на Audi A6 Avant (C5)
Київ, Україна

Бажаю міцного!

невеличка шпаргалочка по схемам,щоб ніде довго не шукати,хай тут полежить.може комусь стане в пригоді

Схема для електро сидінь з памʼяттю (водій)



Схема для електро сидінь з памʼяттю (пасажир)


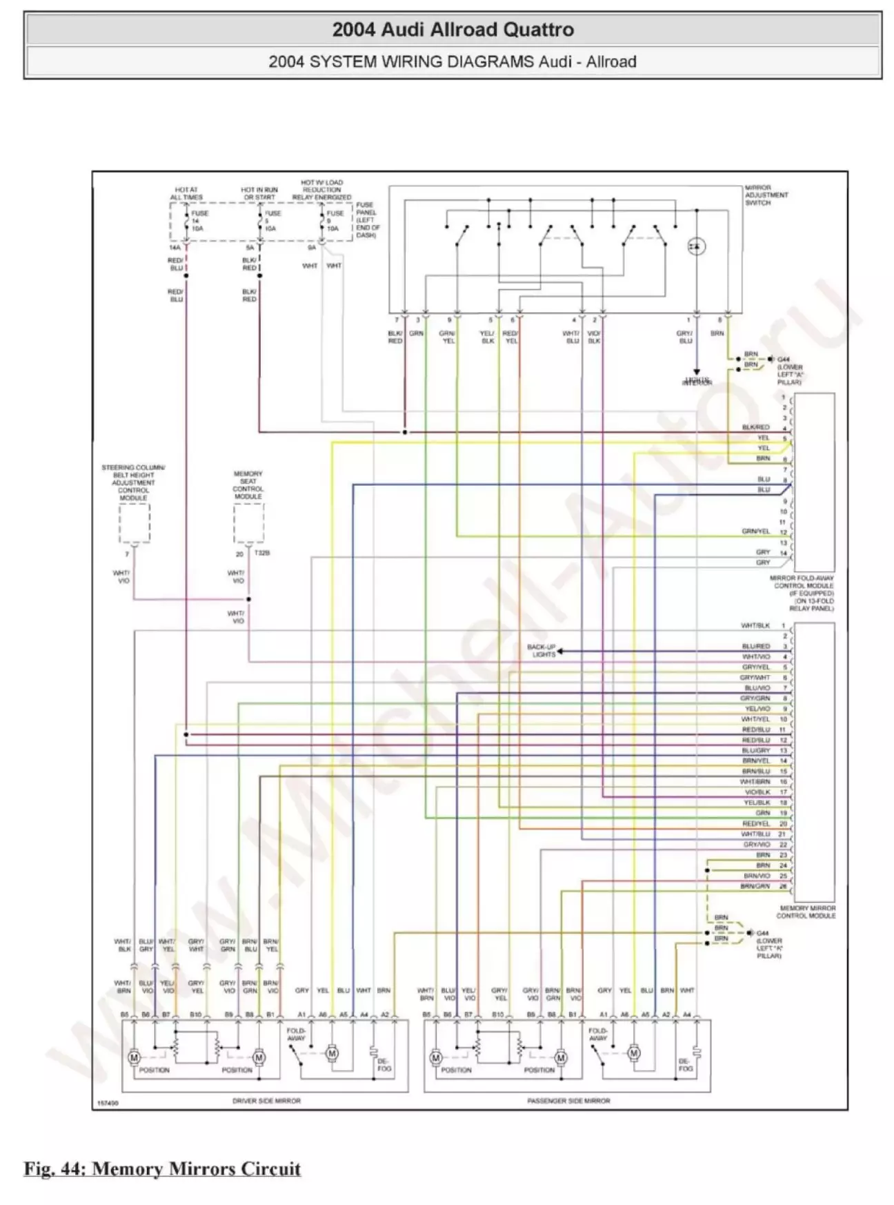
Схема для памʼяті дзеркал з авто складанням


Схема для електро колонки без памʼяті


Схема для електро колонки з памʼяттю


Схема для кермової рейки з сервотроніком



Реклама
Зимова вигода: знижка -1000 грн на ремонт авто!
Пробіг 443000 км.
Опубліковано: 02 листопада 2025р. 16:48
2 0 1

Коментарі

Щоб залишати коментарі, потрібно авторизуватись.
Я їжджу на Audi A6 Avant (C5)
👍
1
02 листопада 2025р. 20:43
Я їжджу на Audi A6 Avant (C5)
👍
1
02 листопада 2025р. 20:42