Chevrolet Aveo Sedan (T250) (PHƎNOMƎNAL)

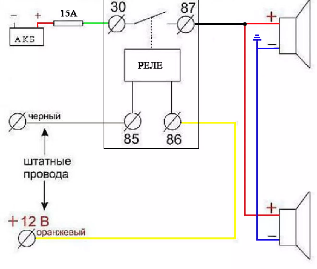
06.03.2017_Двухтональный звуковой сигнал

Я їжджу на Renault Megane IV
Київ, Україна

На телевизоре с обоих сторон есть отверстие на м8. Сигналы за бампер не цепляют. Звук стал намного лучше.

Реклама
Зимова вигода: знижка -1000 грн на ремонт авто!
Опубліковано: 07 березня 2017р. 00:09
0 0 0

Коментарі

Щоб залишати коментарі, потрібно авторизуватись.