Є така категорія людей яка любить шукати пригоди на свою (ЖЕНЮ) - не в обіду всім Євгенам... і я мабуть до теї категорії вхожу або вїжаю)
От не люблю я братися за те чого не можу подолати, зробити чи довести до кінця. Але в цьому випадку я не то що не розрахував свої сили, я реально їх переоцінив.
Знаю точно, що читав я чиєсь попередження "ЯКЩО НЕ МАЄ ХОРОШОГО СПЕЦІАЛІСТА ТО КРАЩЕ НЕ БЕРІТЬСЯ" - золоті слова в прямому розумінні.
В моєму випадку хороші спеціалісти тільки чули слово kessy, tiguan, pq35 - хрестились і зливались кудись ... Пишу вам реально, ніхто не хотів братися, а ті ентузіасти котрі бралися зайшовши в штопор зверталися за допомогою ще до когось не знаю, мабуть до ГУРУ якихось і чули у відповідь "НАЩО ТИ ЗА ЦЕ ВЗЯВСЯ?"
За 5 місяців сотні дзвінків різним людям, в різні сервіси не дали ні якого результату.
Але не все так погано в пошуку істини.
Кнопку зробили, безключовий запуск теж, безключове відкриття/закриття (поки що передніх дверей) теж і навіть стоп/старт який НАХ... нікому не потрібен теж є.😰
В зимовий день 8 січня 2025 року моєму щастю не було меж).
Звісно корпорація VAG без западла не може робити тому ми це западло розкусили пережували і виплюнули, я про ІММО і те що за ним приховується.
Тепер по суті:
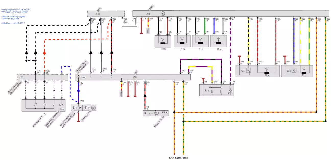
Перша спотикачка це не досконалість оригінального опису схеми ELSA, а точніше їх через мірна універсальність, до прикладу: там де потрібно описати для чого цей провід стоїть * в примітці і загальна фраза - "залежить від конкретної комплектації" дивись схему опису)) короче, прийшлось шукати в схемах схожих авто і їх порівнювати, ще той квест.
Далі ми на схемах ELSA можемо бачити не досконалість чи навпаки черезмірну обачність розробників де вини або забувають вказати або спеціально не вказують номер піну блоку ECU (J623) до яких повинен підключатися 12 пін блоку ELV (J764). З опису схеми можна зрозуміти що чорно-білий провід (для системи СТАТ-СТОП) який прямує з піна Т16m/12 до якогось піну блоку ECU (J623) а якого це і потрібно було вияснити і виправити підключивши на авто. З чим Юрій успішно справився. (дуже йому вдячний)
І мабуть нелогічно було б пояснити таку помилку чи опечатку в схемах природньою ментальністю арійської нації та їхньою любов'ю до порядку у всьому. Я думаю що той німецький пан полюбому знав що робить і зробив це не просто так.... но звідки міг знати про це Юра? Він вирішив пошукати альтернативні схеми з інших авто і просто їх порівняти. І тут до мене дійшло як німецький перфекціонізм переплівся зі смикалкою Юрія. Коли все запрацювало Юра розповів мені де був наш промах і що він зробив. Я також хотів дойти до цього рішення своєю головою і побачити, а точніше знайти ці очевидні схеми.

На початку може здатися що підрульовий блок SWCM (J527) *G85 на схемі якось не приділах, але коли помічаєш зміну кольору проводів розумієш чому німецький пан писав ті виноски з сніжинкою... от і все рівняння з двома невідомими😁.
Вкінці-кінців рішення було знайдене, а саме: додаванням додаткового проводу який з'єднує блок двигуна ECU (J623) пін Т94/45 з підрульовим блоком SWCM (J527) пін Т16l/6 який в свою чергу з'єднується з ELV (J764) пін Т16m/12 та роз'єднанням червоно-білого проводу який на схемі з Алі з'єднує блок BCM (J519) пін Т52с/14 з блоком WCM (J527) пін Т16l/6
Також з офіційних джерел від VW а саме мануалу по роботі системи keyless & kessy, на авто з системою СТАТ-СТОП, запуском і зупинкою двигуна керує не блок BCM (J519), а безпосередньо блок двигуна ECU (J623). Всі схеми які я знаходив на форумах були без системи С/С.
Друга спотикачка це блок ELV який попередньо підготовили до мого авто. І все тут ніби було зроблено правильно АЛЕ в оф-лайні за допомогою приладу VVDI2 вирішити проблему не змогли, скоріше за все із за першої проблеми (тут я знаходився в порочному крузі де перша проблема не дозволяє вирішити другу, а друга першу...) Скажу так - спроби були різні і шлях був правильний але кваліфікації майстра Михайла який програмно зробив все правильно но не знав в чому причина відсутності запуску двигуна (як виявилось пізніше в проводці). І хоча Юра який взявся за роботу, знайшов рішення з проводами приладу VVDI2 в нього не було і адаптацію блоку ELV він провів через он-лайн привязку і звісно вона не адаптувалася 😭. Рішення було банальне, замінити мою підготовлену ELV на стокову ELV з розборки яка в он-лайні з легкістю адаптувалася. Причина в тому що в підготовленій ELV були змінені дані: PIN, VIN, CS, CP під мій автомобіль, а так-як в базі даних дилера по VIN коду відсутнє таке авто з kessy то через он-лайн адаптація і не проходила. А тому швиденько купивши іншу ELV з нетронутими даними, keyless & kessy запрацював, дверки зачинялись, відчинялись, авто бачило ключик, до-речі про ключі - всяке незрозуміле ГЕ з Аліка підв'язується через раз, працює також. Мною заздалегідь було куплено на Алі 2 ключі під kessy перший взагалі не читався - мертвонароджений, другий ніби вдало підготувався як дилер-ключ, але дані в нього так і не записались (гроші на вітер). Ну ви зрозуміли, якість ще та... Вкінці-кінців ключ купили по місцю, підготували і привязали теж, був задіяний ще один спеціаліст теж Юра), авто завелось но через 3 сек. глохло і помилка по іммо😥😤
Третя спотикачка, ховалася в комерційній жадібності VAG:
Хтось чув про такий собі POWER CLAS? Я теж тільки чув і десь трішки читав но був сильно здивований що це один із перших елементів захисту компонентів і його не можна змінити не розкриваючи блок двигуна. Для тих хто не знає поясню:
РС- це клас автомобільної потужності авто ( такий собі код з трьох літер і цифр) який зашитий в незатираєму область пам'яті, або окремий чіп блоку двигуна і простиму прошивками eprom і fesh його не перезаписати. Цей код повинен співпадати з блоком ELV і приборною панелькою. Так-як в мене ELV з іншого авто в якої РС не такий як в моєму блоці то і двигун записує помилку по іммо і блокується. Така собі подляна... Тут виникає питання, а чому блок ELV який попередньо підготовили не підв'язався? Я не знаю чому в Юри не вийшло оф-лайном, спроб було багато. Попередній майстер Михайло це робив якимось своїм методом знімаючи ECU на столі і в нього все підв'язувалось, але нажаль він був далеко, а часу було не багато на різні пересилки і возіння блоку.
Вихід з такої ситуації звісно є це новий блок ELV від дилера яка через адаптацію до авто в он-лайні запише в себе дані РС блоку ECU, но це не точно сказав Юра))) і щоб не ризикувати, ще раз нічого не купувати, він зробив це в он-лайні зі старим стоковим блоком ELV і це створило нову проблемку))). Також пишуть що можна це вирішити приладами Арбітус чи VVDI2 вони можуть вносити дані в ELV, але зову таки, щоб щось змінити в ELV спочатку ті дані з неї якось потрібно вичитати, дізнатися - це як пінкод щоб отримати доступ та підготовити до запису ELV).
Після всіх офіційних маніпуляцій з дилером авто перейшло до неофіційних))). Щоб перемогти помилку по іммо спеціальнонавчені і знаючі люди через редагування вичитаних епрома і флеша з блока двигуна просто відключили іммо в епромі і записали маску помилок в флеші Таким чино обійшли головняк. Все робили відділено дані пересилали а Юра вичитував і Записував їх в блок ECU.
Авто успішно стартануло.